一、 半导体发光二极管工作原理、特性及应用
(一)LED发光原理
发光二极管是由Ⅲ-Ⅳ族化合物,如GaAs(砷化镓)、GaP(磷化镓)、GaAsP(磷砷化镓)等半导体制成的,其核心是PN结。因此它具有一般P-N结的I-N特性,即正向导通,反向截止、特性。此外,在一定条件下,它还具有发光特性。在正向下,电子由N区注入P区,空穴由P区注入N区。进入对方区域的少数载流子(少子)一部分与多数载流子(多子)复合而发光,如图1所示。
|
假设发光是在P区中发生的,那么注入的电子与价带空穴直接复合而发光,或者先被发光中心捕获后,再与空穴复合发光。除了这种发光复合外,还有些电子被非发光中心(这个中心介于导带、介带中间附近)捕获,而后再与空穴复合,每次释放的能量不大,不能形成可见光。发光的复合量相对于非发光复合量的比例越大,光量子效率越高。由于复合是在少子扩散区内发光的,所以光仅在靠近PN结面数μm以内产生。
理论和实践证明,光的峰值波长λ与发光区域的半导体材料禁带宽度Eg有关,即
λ≈1240/Eg(mm)
式中Eg的单位为电子伏特(eV)。若能产生可见光(波长在380nm紫光~780nm红光),半导体材料的Eg应在3.26~1.63eV之间。比红光波长长的光为红外光。现在已有红外、红、黄、绿及蓝光发光二极管,但其中蓝光二极管成本、价格很高,使用不普遍。
(二)LED的特性
1.极限参数的意义
(1)允许功耗Pm:允许加于LED两端正向直流电压与流过它的之积的最大值。超过此值,LED发热、损坏。
(2)最大正向直流电流I:允许加的最大的正向直流电流。超过此值可损坏二极管。
(3)最大反向电压VRm:所允许加的最大反向电压。超过此值,发光二极管可能被击穿损坏。
(4)工作环境topm:发光二极管可正常工作的环境温度范围。低于或高于此温度范围,发光二极管将不能正常工作,效率大大降低。
2.电参数的意义
(1)光谱分布和峰值波长:某一个发光二极管所发之光并非单一波长,其波长大体按图2所示。
|
由图可见,该发光管所发之光中某一波长λ0的光强最大,该波长为峰值波长。
(2)发光强度IV:发光二极管的发光强度通常是指法线(对圆柱形发光管是指其轴线)方向上的发光强度。若在该方向上辐射强度为(1/683)W/sr时,则发光1坎德拉(符号为cd)。由于一般LED的发光二强度小,所以发光强度常用坎德拉(mcd)作单位。
(3)光谱半宽度Δλ:它表示发光管的光谱纯度.是指图3中1/2峰值光强所对应两波长之间隔.
(4)半值角θ1/2和视角:θ1/2是指发光强度值为轴向强度值一半的方向与发光轴向(法向)的夹角。
半值角的2倍为视角(或称半功率角)。
|
图3给出的二只不同型号发光二极管发光强度角分布的情况。中垂线(法线)AO的坐标为相对发光强度(即发光强度与最大发光强度的之比)。显然,法线方向上南喽苑⒐馇慷任?,离开法线方向的角度越大,相对发光强度越小。由此图可以得到半值角或视角值。
(5)正向工作电流If:它是指发光二极管正常发光时的正向电流值。在实际使用中应根据需要选择IF在0.6·IFm以下。
(6)正向工作电压VF:参数表中给出的工作电压是在给定的正向电流下得到的。一般是在IF=20mA时测得的。发光二极管正向工作电压VF在1.4~3V。在外界温度升高时,VF将下降。
(7)V-I特性:发光二极管的电压与电流的关系可用图4表示。
|
在正向电压正小于某一值(叫阈值)时,电流极小,不发光。当电压超过某一值后,正向电流随电压迅速增加,发光。由V-I曲线可以得出发光管的正向电压,及反向电压等参数。正向的发光管反向漏电流IR<10μA以下。
(三)LED的分类
1. 按发光管发光颜色分
按发光管发光颜色分,可分成红色、橙色、绿色(又细分黄绿、标准绿和纯绿)、蓝光等。另外,有的发光二极管中包含二种或三种颜色的芯片。
根据发光二极管出光处掺或不掺散射剂、有色还是无色,上述各种颜色的发光二极管还可分成有色透明、无色透明、有色散射和无色散射四种类型。散射型发光二极管和达于做指示灯用。
2. 按发光管出光面特征分
按发光管出光面特征分圆灯、方灯、矩形、面发光管、侧向管、表面安装用微型管等。圆形灯按直径分为φ2mm、φ4.4mm、φ5mm、φ8mm、φ10mm及φ20mm等。国外通常把φ3mm的发光二极管记作T-1;把φ5mm的记作T-1(3/4);把φ4.4mm的记作T-1(1/4)。
由半值角大小可以估计圆形发光强度角分布情况。从发光强度角分布图来分有三类:
(1)高指向性。一般为尖头环氧封装,或是带金属反射腔封装,且不加散射剂。半值角为5°~20°或更小,具有很高的指向性,可作局部照明光源用,或与光检出器联用以组成自动检测系统。
(2)标准型。通常作指示灯用,其半值角为20°~45°。
(3)散射型。这是视角较大的指示灯,半值角为45°~90°或更大,散射剂的量较大。
3.按发光二极管的结构分
按发光二极管的结构分有全环氧包封、金属底座环氧封装、陶瓷底座环氧封装及玻璃封装等结构。
4.按发光强度和工作电流分
按发光强度和工作电流分有普通亮度的LED(发光强度<10mcd);超高亮度的LED(发光强度>100mcd);把发光强度在10~100mcd间的叫高亮度发光二极管。
一般LED的工作电流在十几mA至几十mA,而低电流LED的工作电流在2mA以下(亮度与普通发光管相同)。
除上述分类方法外,还有按芯片材料分类及按功能分类的方法。
(四)LED的应用
由于发光二极管的颜色、尺寸、形状、发光强度及透明情况等不同,所以使用发光二极管时应根据实际需要进行恰当选择。
由于发光二极管具有最大正向电流IFm、最大反向电压VRm的限制,使用时,应保证不超过此值。为安全起见,实际电流IF应在0.6IFm以下;应让可能出现的反向电压VR<0。6VRm。
LED被广泛用于种电子仪器和电子设备中,可作为指示灯、指示或微光源之用。红外发光管常被用于电视机、录像机等的中。
(1)利用高亮度或超高亮度发光二极管制作微型手电的如图5所示。图中R限流,其值应保证电压最高时应使LED的电流小于最大允许电流IFm。
|
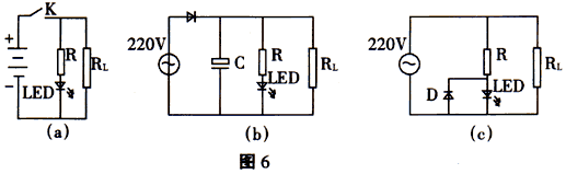
(2)图6(a)、(b)、(c)分别为直流电源、整流电源及交流电源指示电路。
图(a)中的≈(E-VF)/IF;
图(b)中的R≈(1.4Vi-VF)/IF;
图(c)中的R≈Vi/IF
式中,Vi——交流电压。
![]() |
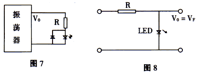
(3)单LED电平指示电路。在放大器、或脉冲数字电路的输出端,可用LED表示输出信号是否正常,如图7所示。R为限流电阻。只有当输出电压大于LED的阈值电压时,LED才可能发光。
|
(4)单LED可充作低压用。由于LED正向导通后,电流随电压变化非常快,具有普通稳压特性。发光二极管的稳定电压在1.4~3V间,应根据需要进行选择VF,如图8所示。
(5)电平表。目前,在音响设备中大量使用LED电平表。它是利用多只发光管指示输出信号电平的,即发光的LED数目不同,则表示输出电平的变化。图9是由5只发光二极管构成的电平表。当输入信号电平很低时,全不发光。输入信号电平增大时,首先LED1亮,再增大LED2亮……。
|
(五)发光二极管的检测
1.普通发光二极管的检测
(1)用检测。利用具有×10kΩ挡的指针式可以大致判断发光二极管的好坏。正常时,二极管正向电阻阻值为几十至200kΩ,反向电阻的值为∝。如果正向电阻值为0或为∞,反向电阻值很小或为0,则易损坏。这种检测方法,不能实地看到发光管的发光情况,因为×10kΩ挡不能向LED提供较大正向电流。
如果有两块指针万用表(最好同型号)可以较好地检查发光二极管的发光情况。用一根导线将其中一块万用表的“+”接线柱与另一块表的“-”接线柱连接。余下的“-”笔接被测发光管的正极(P区),余下的“+”笔接被测发光管的负极(N区)。两块万用表均置×10Ω挡。正常情况下,接通后就能正常发光。若亮度很低,甚至不发光,可将两块万用表均拨至×1Ω若,若仍很暗,甚至不发光,则说明该发光二极管性能不良或损坏。应注意,不能一开始测量就将两块万用表置于×1Ω,以免电流过大,损坏发光二极管。
(2)外接电源测量。用3V稳压源或两节串联的干电池及万用表(指针式或数字式皆可)可以较准确测量发光二极管的光、电特性。为此可按图10所示连接电路即可。如果测得VF在1.4~3V之间,且发光亮度正常,可以说明发光正常。如果测得VF=0或VF≈3V,且不发光,说明发光管已坏。
|
2.红外发光二极管的检测
由于红外发光二极管,它发射1~3μm的红外光,人眼看不到。通常单只红外发光二极管发射功率只有数mW,不同型号的红外LED发光强度角分布也不相同。红外LED的正向压降一般为1.3~2.5V。正是由于其发射的红外光人眼看不见,所以利用上述可见光LED的检测法只能判定其PN结正、反向电学特性是否正常,而无法判定其发光情况正常否。为此,最好准备一只光敏器件(如2CR、2DR型硅光电池)作接收器。用万用表测光电池两端电压的变化情况。来判断红外LED加上适当正向电流后是否发射红外光。其测量电路如图11所示。
|
