一、 实验目的
1.掌握J-K的逻辑功能。
2.掌握集成J-K触发器逻辑功能的测试方法。
3.掌握触发器之间的相互转换方法。
二、实验预习要求
1.复习J-K触发器的逻辑功能。
2.掌握D触发器和J-K触发器的真值表及其转换的基本方法。
三、实验原理
1.J-K触发器
74LS112双J-K触发器的逻辑符号和J-K触发器引脚功能分别如图3、1,图3、2所示。
![]() |
![]() |
| 图3、1为J-K触发器的逻辑符号 | 图3、2为74LS112双J-K触发器引脚功能。 |
本实验中采用的74LS112为下降沿触发的边沿触发器。其状态方程为:
其中J和K 为数据输入端,是触发器状态更新的依据,若J、K有两个或两个以上输入端时,组成"与"的关系。触发器的功能表如表4、1所示:
表4、1触发器的功能表
2.触发器的相互转换
在集成触发器的产品中,每一种触发器都有自己固定的逻辑功能。但可以利用转换的方法获得具有其他功能的触发器。例如将J-K触发器转换成D触发器、T触发器、Tˊ触发器。其转换如图4、3所示。
![]() | ||
| (a) J-K转换成D | (b) J-K转换成T | (c) J-K转换成Tˊ |
| 图4、3 J-K触发器转换成D、T、Tˊ触发器 | ||
四、实验仪器设备
1. 数字电路实验箱;
2. 74LS112(或4027), 74LS00(或CC4011),74LS74(或CC4013)。
五、练习内容及方法
测试JK触发器74LS112逻辑功能。
1. 测试
的复位、置位功能。
将J,K端接逻辑开关输出插口,CP端接单脉冲,Q 、Q 端接至逻辑显示插口。在
=0,
=1或
=0,
=1作用期间记录J、K及CP的状态,观察Q 、Q 状态并记录。
2. 测试J-K触发器的逻辑功能;
按表4、1的要求改变JK、CP的状态,观察Q、Q状态变化,观察Q端的状态更新是否发生在CP脉冲的下降沿(即CP由1 0),并记录之。
3. 将JK触发器转换成D触发器。
按图4-3的(a)图连接电路,CP接单脉冲源,Q端接逻辑电平显示插口,验证逻辑功能,并自拟表格记录。
4. 将J和K端相连,构成T触发器。
在CP端输入1的连续脉冲,用实验箱逻辑电平显示Q端的变化。
在CP端输入1KHz的连续脉冲,用示波器观察CP、Q、 端波形,注意与时间的关系。
六、实验报告
1.整理实验数据,并填表。
2.列出触发器相互转换的表达式及实验步骤。
3.总结J-K触发器的特点。
七、思考题
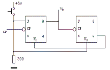
用J-K触发器组成单脉冲发生器。
参考图如图所示。


