本文介绍一种能使脉冲前沿根据脉冲的提高而提前的,即输出脉冲的前沿可随输入脉冲的频率提高逐渐由输入脉冲的后沿提前至与其同步,它可用于代替汽车点火控制中的机械式离心提前装置,从而使发动机的工作更为稳定,使加速更迅速。
图1所示电路是以磁脉冲信号输入为控制基础,同时考虑了电路对抗干扰的要求,能在3~30V、70℃环境温度及5mV~30V的输入信号下稳定工作。
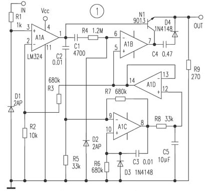
电路组成
图1中A1A、R1、D1、R2、R3等组成一变阈值比较器,用于将输入的磁脉冲信号进行放大整形,并滤除干扰信号;A1B为电压比较器,其输出为一对应输入脉冲频率的移相脉冲;A1C和A1D、C2、C3、D3、R5、R6、R7组成单稳态。其时间常数由C3、R6确定。R8和C5构成一简单积分器,与单稳电路组成f-V变换器,其输出是与输入频率正比的直流;A1D为f-V的输出缓冲级;N1构成与门,其输出在输入频率较低时同步于集电极,而当输入频率达到预定值时,则同步于基极信号。
工作原理
在此我们假定输入频率由低向高变化,磁脉冲信号的幅度正比于频率。电路各点波形参见图2。
当有低频小信号输入(相当于汽车启动)时,f-V变换器输出电压接近于零,此时A1A可看作为过零检测器,有较高的灵敏度。被放大后的信号以方波的形式一路经f-V变换器和,最终以直流电平的形式输出到A1A的输入端和A1B的输入端;一路经微分器到电压比较器A1B的反相输入端⑥与⑤脚的直流电平进行比较,由于此时⑤脚电平较低,A1B将输出前沿与输入电平下降沿相对应的脉冲。随着输入频率和信号强度的提高,f-V变换器输出的电压也随之升高,A1A渐变为电压比较器,这样有助于提高电路的抗干扰能力;由于⑤脚电压的升高,比较器A1B的⑦脚的输出脉冲前沿将向前移动,当输入信号的频率达到预定值,也就是f-V变换器的输出电平达到最大值时,A1B输出高电平,此时信号通过与门N1直接输出,信号前沿同步于输入信号的前沿。
制作与调试
电路对元件无特殊要求。若输入的信号为方波且质量较好,则信号输入的第一级A1A可取消。按图示参数装配后无需调整即能正常工作。显然,本电路对信号的提前特性(线性度)取决于微分元件C1和R4,而对输入信号的范围则由f-V变换器决定,调整它们可使电路在0~1MHz范围内稳定工作。

