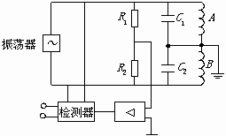
电桥法是将线圈的变化转化为或的变化。图4.3.5是电桥法的电原理图,图中线圈A和B为传感器线圈。传感器线圈的阻抗作为电桥的桥臂,起始状态,使电桥平衡。在进行测量时,由于传感器线圈的阻抗发生变化,使电桥失去平衡,将电桥不平衡造成的输出信号进行放大并检波,就可得到与被测量成正比的输出。电桥法主要用于两个电涡流线圈组成的差动式传感器。

图4.3.5 电桥法测量电路原理图
2、谐振法
这种方法是将传感器线圈的等效的变化转换为电压或电流的变化。传感器线圈与并联组成LC并联谐振回路。
并联谐振回路的谐振为:
当L发生变化时,回路的等效阻抗和谐振频率都将随L的变化而变化,因此可以利用测量回路阻抗的方法或测量回路谐振频率的方法间接测出传感器的被测值。
谐振法主要有调幅式电路和调频式电路两种基本形式。调幅式由于采用了石英晶体,因此稳定性较高,而调频式结构简单,便于遥测和数字显示。图4.3.6为调幅式测量电路原理框图。

图4.3.6 调幅式测量电路原理框图
由图中可以看出LC谐振回路由一个频率及幅值稳定的晶体振荡器提供一个高频信号激励谐振回路。LC回路的输出电压为:
式中,i0为高频激励电流;Z为LC回路的阻抗。可以看出,LC回路的阻抗Z越大,回路的输出电压越大。
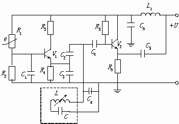
调频式测量电路的原理是被测量变化引起传感器线圈电感的变化,而电感的变化导致振荡频率发生变化。频率变化间接反映了被测量的变化。这里电涡流传感器的线圈是作为一个电感元件接入振荡器中的。图4.3.7是调频式测量电路的原理图,它包括三点式振荡器和射极输出器两个部分。为了减小传感器输出电缆的分布电容Cx的影响,通常把传感器线圈L和调整电容C都封装在传感器中,这样电缆分布电容的影响并联到大电容C2、C3上,因而对谐振频率的影响大大减小了。

图4.3.7 调频式测量电路原理框图