实际使用中,有时需要两个或两个以上的输出端连接在同一条导线上,
将这些与上的数据(状态)用同一条导线输送出去。因此,需要一种新的与非门来实现线与逻辑,这种门电路就是集电极开路与非门电路,简称OC门(open collector)。OC门电路及逻辑符号见图Z1119,该电路的特点是输出管T5的集电极悬空,使用时需外接一个RP和Ec。

OC门的主要用途有以下3个方面:
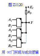
(1)实现与或非逻辑
用n个OC门实现与或非逻辑的电路如图Z1120所示.因为任何一个门输入全为1时,其输出为零,而n个门的输出端又并接在一起(线与),故输出Y=0,
即Y=A1B1+A2B2+……+AnBn,是与或非的逻辑功能。
(2)用做
在数字系统的接口部分常需要进行所示转换,这可用OC门来实现.如图Z1121所示电路是用OC门把输出高电平变换为10V的电路。
(3)用做驱动器

可以用OC门驱动指示灯,等,其驱动指示灯的电路如图Z1122所示。
二、三态输出门
1. 三态门的特点
三态输出门又称三态电路。它与一般门电路不同,它的输出端除了出现高电平、低电平外,还可以出现第三个状态,即高阻态,亦称禁止态,但并不是3个逻辑值电路。
2. 三态逻辑与非门
三态逻辑与非门如图Z1123所示。这个电路实际上是由两个与非门加上一个D2组成。虚线右半部分是一个带有源泄放电路的与非门,称为数据传输部分,T5管的uI1、uI2称为数据输入端。而虚线左半部分是状态控制部分,它是个非门,它的输入端C称为控制端,或称许可输入端、使能端。

当C端接低电平时,T4输出一个高电平给T5 ,使虚线右半部分处于工作状态,这样,电路将按与非关系把uI1, uI2接受到的信号传送到输出端, 使uo或为高电平,或为低电平。
当C端接高电平时,T4输出低电平给T5,使 T6、T7、T10 截止。另一方面,通过D2把T8的基极电位钳在1v左右,使T9截止。由于T9、T10均截止,从输出端u0看进去,电路处于高阻状态。
三态逻辑与非门的逻辑符号如图Z1124所示。其中(a)图表示C端为高电平时为工作状态,称为高有效三态与非门。(b)图表示C端为低电平时的工作状态,称为低有效三态与非门。在使用时应注意区分。三态与非门的最重要的用途就是可向一条导线上轮流传送几组不同的数据和控制信号,如图Z1125所示,这种方式在计算机中被广泛采用。但需要指出,为了保证接在同一条总线上的许多三态门能正常工作,一个必要条件是,任何时间里最多只有一个门处于工作状态,否则就有可能发生几个门同时处于工作状态,而使输出状态不正常的现象。