| 在的阳极和阴极之间加装几个电极(栅极)就成了多极管。若加装一个电极就成为三极管,加装二个电极成为四极管(通常为束射管)。加装三个电极成为五极管。这些多极管的主要用途是收信放大、检波、振荡、变频、调频、、等。 |
| 一、三极管 |
| 1.三极管的放大作用 图1是收信放大管的结构及符号图,栅极用符号g表示,栅极具有控制阳极ia的作用。由于栅极与阴极之间的距离较阳极与阴极间的距离近得多,所以栅极对阴极发射电子的影响也较阳极的影响大得多,即是说栅极控制电子的能力要比阳极大得多,栅压ug有多少量的变化,就能引起阳极电流ia发生较大的变化,这就是三极管具有放大作用的原因。 |
![]() 图1三极管结构及符号 |
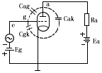
| 2.三极管的静态特性曲线 (1)阳极特性曲线,指栅压ug为常数时,阳极是电流ia与阳极ua的变化关系曲线,采用图2的线路可测出在极管阳极特性曲线,图3表示6N8P的阳极特性曲线簇。 |
![]() 图2、测量三极管静态特性曲线的 |
| 从阳极特性的曲线簇可以看出: 1)它的每条曲线形状和二极管的行性曲线相似,栅压愈负,曲线愈向右移。这是因为栅压为负进,只有当阳极电压增加到能够抵消在阴极附近产生的排斥电场以后,才会产生阳极电流。 2)特性曲线的大部分是彼此平行的直线,间隔也比较均匀,但在阳极电流较低的部分,曲线显得弯曲。 3)从图中还可以看出,栅压电流可变化4毫安,若栅压保持---8伏不变,要使阳极电流变化4毫安,则阳极电压应变化40伏才行,这说明书栅压对阳极电流的控制作用是阳极电压控制作用的20倍。 (2)阳栅特性曲线,指阳极电压为常数时,阳极电流ia与栅压ug的变化关系曲线。 仍用图2测量阳栅特性曲线。只要把阳极电压ua固定在某一数值上,然后一条阳栅特性曲线,在不同的阳极电压下作出很多条曲线就组成特性曲线簇。图4为6N8P阳栅特性曲线簇。 |
![]() 图3、6N8P阳极特性曲线 |
![]() 图4、6N8P阳栅特性曲线 |
|
从曲线簇可以看出: |
![]() 图5、三极管的极间电容 |
| 电子管的极间电容对电子管电路的工作性能有影响,影响最大的是跨路是电容Cag,特别是在高频工作时,由于Cag的下降,阳极回路的交流电压通过它反馈回栅极,使电路工作变得极不稳定,甚至产生自激。Cgk和Cak对电路性能的影响不显著。 |
| 二、束射四极管 |
| 束射四极管主要用作功率放大,它和三极管所不同的是多了一个叫做帘栅极g2和束射屏 1.束射四极管的结构特点: 束射管是利用帘栅极和阳极之间的空间电荷来克服二次电子转移的影响。为了做到这一点,就要求帘栅极和阳极之间有均匀而密集的电子流,因此束射管在结构上必须采取措施。 束射管的结构如图6所示: (1)阴极做成矩形,有相当大的发射面积,阴极与栅极之间的间距也相当均匀,由阴极发射出来的电子流很大,而且也很均匀。 (2)栅极和帘栅极在单位长度上绕的圈数相等,层数对得很准,排列的位置很整齐而形成对栅,这样一方面可以减少帘栅极电流,从而减少帘栅极上的功率损耗和温度,增加流向阳极的电子数目,使输出功率增大,另一方面实现电子流在栅丝间成束形射出,使帘栅极间获得密集而均匀空间电荷,形成最仰慕民位。 (3)帘栅极和阳极间的距离相当宽阔,使这个区域内的空间电荷增多。 (4)帘栅极和阳极之间的两侧装置了一对由金属片做成的束射屏,它和阴极连在一起,它的作用是防止阳极上的二次电子从各个栅极支柱的两侧绕道转移向帘栅极,使电子流更加集中地向中间密集发射。从而消除了二次电子转移产生负阻效应的影响。 |
![]() 图6、束射管结构及符号 |
| 2、特性曲线及用途 |
| 束射四极管的阳极特性曲线与五极管很相似,所以在使用时通常把它作为低频五极管来用,特性曲线如图7所示 |
![]() 图7、束射管阳极特性曲线 |
| 束射四极管的特点是当栅极上输入一个较小的电压,可以在阳极上得到较大的输出功率Po,而且工作在特性曲线较宽的小水平部分上,小,耗电少,用于或音频功率较大,能保证有足够的音量所以常常作为功率放大级,以推动。 |
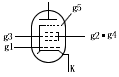
| 三、管与变频管 |
| 超外差式收音机在中放前要把不同电台的载波变换成一定的中频,为了达到这个目的,一种办法是用一个三极管作本地振荡,把本振信号和电台信号送入混频管混频,混频后得出它们之间的差额;另一种办法是用一只变频管,它完成本振和混频的双重任务。 1.七极变频管 电路符号如图8,管内有五个栅极,g3为信号栅,从天线输入回路送入电台的信号,g1为本振信号输入栅。g2,4为帘栅极,g5为抑制栅,与阴极连接在一起。 2.七极变频管 图9为七极变频管电路图,管内也有五个栅极,它和混频管不同之处是在第二栅的边杆上连有两片小金属片,这样,阴极K、第一栅g1、第二栅的小金属片三者可以看成是一个三极管,用以产生本地振荡,通过g2的电子流已经学到等到幅本振频率电压的调制,再和输入信号作用,使阳极电流产生这两个频率的和频以及差频等电流分量,由中频B选出它们的差频而完成变频,有些七极变频管为了减少g2吸收的电子数,第二栅g2只有边杆而没有栅丝,因为本振信号不需要太强。 七级变频管基本振电压受信号的影响,频率和电压的稳定度都受到牵连,特别在频率高于20兆赫时更甚。 |
![]() 图8、七极管符号 |
![]() 图9、七极管变频管电路 |
| 3.三极--七极变频管 |
| 为了消除本地振荡与输入信号之间的牵连效应,专门构成一组三极管作独立的本振,然后用七极管混频,不过这两组管子都用同一个阴极和玻壳,只是下部为三极管部分,上部为七极管部分,这就构成三极--七极管变频管。这种管子可以工作到22兆赫以上,比较稳定。 |








