键盘是由一组规则排列的按键组成,一个按键实际上是一个开关元件,也就是说键盘是一组规则排列的开关。
键盘工作原理
1.按键的分类
按键按照结构原理可分为两类,一类是触点式开关按键,如机械式开关、导电橡胶式开关等;另一类是无触点开关按键,如电气式按键,磁感应按键等。前者造价低,后者寿命长。目前,微机系统中最常见的是触点式开关按键。
按键按照接口原理可分为键盘与非编码键盘两类,这两类键盘的主要区别是识别键符及给出相应键码的方法。编码键盘主要是用硬件来实现对键的识别,非编码键盘主要是由软件来实现键盘的定义与识别。
全编码键盘能够由硬件逻辑自动提供与键对应的编码,此外,一般还具有去抖动和多键、窜键保护,这种键盘使用方便,但需要较多的硬件,价格较贵,一般的应用系统较少采用。非编码键盘只简单地提供行和列的矩阵,其它工作均由软件完成。由于其经济实用,较多地应用于单片机系统中。下面将重点介绍非编码键盘接口。
2.键输入原理
在单片机应用系统中,除了复位按键有专门的复位电路及专一的复位功能外,其它按键都是以开关状态来设置控制功能或输入数据。当所设置的功能键或数字键按下时,计算机应用系统应完成该按键所设定的功能,键信息输入是与软件结构密切相关的过程。
对于一组键或一个键盘,总有一个接口电路与CPU相连。CPU可以采用查询或中断方式了解有无将键输入并检查是哪一个键按下,将该键号送入累加器A,然后通过跳转指令转入执行该键的功能程序,执行完后再返回主程序。
3.按键结构与特点
微机键盘通常使用机械触点式按键开关,其主要功能是把机械上的通断转换成为电气上的逻辑关系。也就是说,它能提供标准的TTL逻辑,以便与通用数字系统的逻辑电平相容。
机械式按键再按下或释放时,由于机械弹性作用的影响,通常伴随有一定时间的触点机械抖动,然后其触点才稳定下来。其抖动过程如图7.2所示,抖动时间的长短与开关的机械特性有关,一般为5~10ms。
左图 按键触点的机械抖动
在触点抖动期间检测按键的通与断状态,可能导致判断出错。即按键一次按下或释放被错误地认为是多次操作,这种情况是不允许出现的。为了克服按键触点机械抖动所致的检测误判,必须采取去抖动措施,可从硬件、软件两方面予以考虑。在键数较少时,可采用硬件去抖,而当键数较多时,采用软件去抖。
在硬件上可采用在键输出端加R-S(双稳态触发器)或单稳态触发器构成去抖动电路,图7.3是一种由R-S触发器构成的去抖动电路,当触发器一旦翻转,触点抖动不会对其产生任何影响。
电路工作过程如下:按键未按下时,a = 0,b = 1,输出Q = 1,按键按下时,因按键的机械弹性作用的影响,使按键产生抖动,当开关没有稳定到达b端时,因2输出为0反馈到与1的输入端,封锁了与非门1,双稳态电路的状态不会改变,输出保持为1,输出Q不会产生抖动的波形。当开关稳定到达b端时,因a = 1,b = 0,使Q = 0,双稳态电路状态发生翻转。当释放按键时,在开关未稳定到达a端时,因Q = 0,封锁了与非门2,双稳态电路的状态不变,输出Q保持不变,消除了后沿的抖动波形。当开关稳定到达b端时,因a = 0,b = 0,使Q = 1,双稳态电路状态发生翻转,输出Q重新返回原状态。由此 右
图 双稳态去抖电路
可见,键盘输出经双稳态电路之后,输出已变为规范的矩形方波。
软件上采取的措施是:在检测到有按键按下时,执行一个10ms左右(具体时间应视所使用的按键进行调整)的延时程序后,再确认该键电平是否仍保持闭合状态电平,若仍保持闭合状态电平,则确认该键处于闭合状态;同理,在检测到该键释放后,也应采用相同的步骤进行确认,从而可消除抖动的影响。
4.按键编码
一组按键或键盘都要通过I/O口线查询按键的开关状态。根据键盘结构的不同,采用不同的编码。无论有无编码,以及采用什么编码,最后都要转换成为与累加器中数值相对应的键值,以实现按键功能程序的跳转。
5.编制键盘程序
一个完善的键盘控制程序应具备以下功能:
(1)检测有无按键按下,并采取硬件或软件措施,消除键盘按键机械触点抖动的影响。
(2)有可靠的逻辑处理办法。每次只处理一个按键,其间对任何按键的操作对系统不产生影响,且无论一次按键时间有多长,系统仅执行一次按键功能程序。
(3)准确输出按键值(或键号),以满足跳转指令要求。
独立式按键
单片机控制系统中,往往只需要几个功能键,此时,可采用独立式按键结构。
1.独立式按键结构
独立式按键是直接用I/O口线构成的单个按键电路,其特点是每个按键单独占用一根I/O
左图 独立式按键电路

口线,每个按键的工作不会影响其它I/O口线的状态。独立式按键的典型应用如图7.4所示。
独立式按键电路配置灵活,软件结构简单,但每个按键必须占用一根I/O口线,因此,在按键较多时,I/O口线浪费较大,不宜采用。
图7.4中按键输入均采用低电平有效,此外,保证了按键断开时,I/O口线有确定的高电平。当I/O口线内部有上拉时,外电路可不接上拉。
2.独立式按键的软件结构
独立式按键软件常采用查询式结构。先逐位查询每根I/O口线的输入状态,如某一根I/O口线输入为低电平,则可确认该I/O口线所对应的按键已按下,然后,再转向该键的功能处理程序。图7.4中的I/O口采用P1口,请读者自行编制相应的软件。
7.1.3 矩阵式按键
单片机系统中,若使按键较多时,通常采用矩阵式(也称行列式)键盘。
1.矩阵式键盘的结构及原理
矩阵式键盘由行线和列线组成,按键位于行、列线的交叉点上,其结构如下图所示。 
由图可知,一个4×4的行、列结构可以构成一个含有16个按键的键盘,显然,在按键数量较多时,矩阵式键盘较之独立式按键键盘要节省很多I/O口。
矩阵式键盘中,行、列线分别连接到按键开关的两端,行线通过上拉接到+5V上。当无键按下时,行线处于高电平状态;当有键按下时,行、列线将导通,此时,行线电平将由与此行线相连的列线电平决定。这是识别按键是否按下的关键。然而,矩阵键盘中的行线、列线和多个键相连,各按键按下与否均影响该键所在行线和列线的电平,各按键间将相互影响,因此,必须将行线、列线信号配合起来作适当处理,才能确定闭合键的位置。
2.矩阵式键盘按键的识别
识别按键的方法很多,其中,最常见的方法是扫描法。下面以图7.5中8号键的识别为例来说明扫描法识别按键的过程。
按键按下时,与此键相连的行线与列线导通,行线在无键按下时处在高电平,显然,如果让所有的列线也处在高电平,那么,按键按下与否不会引起行线电平的变化,因此,必须使所有列线处在低电平,只有这样,当有键按下时,该键所在的行电平才会由高电平变为低电平。CPU根据行电平的变化,便能判定相应的行有键按下。8号键按下时,第2行一定为低电平,然而,第2行为低电平时,能否肯定是8号键按下呢?回答是否定的,因为9、10、11号键按下同样使第2行为低电平。为进一步确定具体键,不能使所有列线在同一时刻都处在低电平,可在某一时刻只让一条列线处于低电平,其余列线均处于高电平,另一时刻,让下一列处在低电平,依此循环,这种依次轮流每次选通一列的工作方式称为键盘扫描。采用键盘扫描后,再来观察8号键按下时的工作过程,当第0列处于低电平时,第2行处于低电平,而第1、2、3列处于低电平时,第2行却处在高电平,由此可判定按下的键应是第2行与第0列的交叉点,即8号键。
3.键盘的编码
对于独立式按键键盘,因按键数量少,可根据实际需要灵活编码。对于矩阵式键盘,按键的位置由行号和列号唯一确定,因此可分别对行号和列号进行编码,然后将两值合成一个字节,高4位是行号,低4位是列号。如图7.5中的8号键,它位于第2行,第0列,因此,其键盘编码应为20H。采用上述编码对于不同行的键离散性较大,不利于散转指令对按键进行处理。因此,可采用依次排列键号的方式对安排进行编码。以图7.5中的4×4键盘为例,可将键号编码为:01H、02H、03H…0EH、0FH、10H等16个键号。编码相互转换可通过计算或查表的方法实现。
4.键盘的工作方式
在单片机应用系统中,键盘扫描只是CPU的工作内容之一。CPU对键盘的响应取决于键盘的工作方式,键盘的工作方式应根据实际应用系统中CPU的工作状况而定,其选取的原则是既要保证CPU能及时响应按键操作,又不要过多占用CPU的工作时间。通常,键盘的工作方式有三种,即编程扫描、定时扫描和中断扫描。
1)编程扫描方式
编程扫描方式是利用CPU完成其它工作的空余调用键盘扫描子程序来响应键盘输入的要求。在执行键功能程序时,CPU不再响应键输入要求,直到CPU重新扫描键盘为止。
键盘扫描程序一般应包括以下内容:
(1)判别有无键按下。
(2)键盘扫描取得闭合键的行、列值。
(3)用计算法或查表法得到键值。
(4)判断闭合键是否释放,如没释放则继续等待。
(5)将闭合键键号保存,同时转去执行该闭合键的功能。

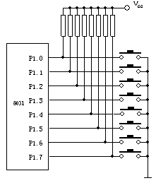
图7.6 8155扩展I/O口组成的矩阵键盘
图7.6是一个4×8矩阵键盘电路,由图可知,其与单片机的接口采用8155扩展I/O芯片,键盘采用编程扫描方式工作,
命令/状态口:0100H(P2未用口线规定为0)
A口:0101H
B口:0102H
C口:0103H
图7.6中,A口为基本输出口,C口为基本输入口,因此,方式命令控制字应设置为43H。在编程扫描方式下,键盘扫描子程序应完成如下几个功能:
(1)判断有无键按下。其方法为:A口输出全为0,读C口状态,若PC0~PC3全为1,则说明无键按下;若不全为1,则说明有键按下。
(2)消除按键抖动的影响。其方法为:在判断有键按下后,用软件延时的方法延时10ms后,再判断键盘状态,如果仍为有键按下状态,则认为有一个按键按下,否则当作按键抖动来处理。
(3)求按键位置。根据前述键盘扫描法,进行逐列置0扫描。图7.6中,32个键的键值分布如下(键值由4位16进制数码组成,前两位是列的值,即A口数据,后两位是行的值,即C口数据,X为任意值):
FEXE FDXE FBXE F7XE EFXE DFXE BFXE 7FXE
FEXD FDXD FBXD F7XD EFXD DFXD BFXD 7FXD
FEXB FDXB FBXB F7XB EFXB DFXB BFXB 7FXB
FEX7 FDX7 FBX
按键键值确定后,即可确定按键位置。相应的键号可根据下述公式进行计算:键号=行首键号+列号。图7.6中,每行的行首可给以固定的编号0(00H),8(08H),16(10H),24(18H),列号依列线顺序为0~7。
(4)判别闭合的键是否释放。按键闭合一次只能进行一次功能操作,因此,等按键释放后才能根据键号执行相应的功能键操作。
键盘扫描程序流程图请参阅实训7图7.1中的主程序流程图。
键盘扫描程序请参阅实训7源程序中的键盘查询程序、键盘扫描程序和按键查询子程序三部分。
实训7是矩阵式键盘的一种典型应用,与图7.6相比,8155入口地址不同,矩阵键盘列数不同,再就是为兼顾键盘和显示,防抖所用的延时子程序由显示子程序替代。
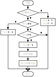
2)定时扫描方式:
定时扫描方式就是每隔一段时间对键盘扫描一次,它利用单片机内部的定时器产生一定时间(例如10ms)的定时,当定时时间到就产生定时器溢出中断,CPU响应中断后对键盘进行扫描,并在有键按下时识别出该键,再执行该键的功能程序。定时扫描方式的硬件电路与编程扫描方式相同,程序流程图如下图所示。

图中,标志1和标志2是在单片机内部RAM的位寻址区设置的两个标志位,标志1为去抖动标志位,标志2为识别完按键的标志位。初始化时将这两个标志位设置为0,执行中断服务程序时,首先判别有无键闭合,若无键闭合,将标志1和标志2置0后返回;若有键闭合,先检查标志1,当标志1为0时,说明还未进行去抖动处理,此时置位标志1,并中断返回。由于中断返回后要经过10ms后才会再次中断,相当于延时了10ms,因此,程序无须再延时。下次中断时,因标志1为1,CPU再检查标志2,如标志2为0说明还未进行按键的识别处理,这时,CPU先置位标志2,然后进行按键识别处理,再执行相应的按键功能子程序,最后,中断返回。如标志2已经为1,则说明此次按键已做过识别处理,只是还未释放按键,当按键释放后,在下一次中断服务程序中,标志1和标志2又重新置0,等待下一次按键。
3)中断扫描方式
采用上述两种键盘扫描方式时,无论是否按键,CPU都要定时扫描键盘,而单片机应用系统工作时,并非经常需要键盘输入,因此,CPU经常处于空扫描状态,为提高CPU工作效率,可采用中断扫描工作方式。其工作过程如下:当无键按下时,CPU处理自己的工作,当有键按下时,产生中断请求,CPU转去执行键盘扫描子程序,并识别键号。

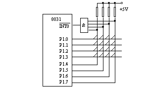
左图是一种简易键盘接口电路,该键盘是由8051P1口的高、低字节构成的4×4键盘。键盘的列线与P1口的高4位相连,键盘的行线与P1口的低4位相连,因此,P1.4~P1.7是键输出线,P1.0~P1.3是扫描输入线。图中的4输入与门用于产生按键中断,其输入端与各列线相连,再通过上拉电阻接至+5V,输出端接至8051的外部中断输入端
端为低电平,向CPU申请中断,若CPU开放外部中断,则会响应中断请求,转去执行键盘扫描子程序。