MOS场效应管
有增强型(Enhancement MOS 或EMOS)和耗尽型(Depletion)MOS或DMOS)两大类,每一类有N沟道和P沟道两种导电类型。场效应管有三个电极:
D(Drain) 称为漏极,相当双极型三极管的集电极;
G(Gate) 称为栅极,相当于双极型三极管的基极;
S(Source) 称为源极,相当于双极型三极管的发射极。
增强型MOS(EMOS)场效应管
道增强型MOSFET基本上是一种左右对称的拓扑结构,它是在P型半导体上生成一层SiO2 薄膜绝缘层,然后用光刻工艺扩散两个高掺杂的N型区,从N型区引出电极,一个是漏极D,一个是源极S。在源极和漏极之间的绝缘层上镀一层金属铝作为栅极 G。P型半导体称为衬底(substrat),用符号B表示。
一、工作原理
1.沟道形成原理
当Vgs=0 V时,漏源之间相当两个背靠背的,在D、S之间加上电压,不会在D、S间形成电流。
当栅极加有电压时,若0<Vgs<Vgs(th)时(VGS(th) 称为开启电压),通过栅极和衬底间的作用,将靠近栅极下方的P型半导体中的空穴向下方排斥,出现了一薄层负离子的耗尽层。耗尽层中的少子将向表层运动,但数量有限,不足以形成沟道,所以仍然不足以形成漏极电流ID。
进一步增加Vgs,当Vgs>Vgs(th)时,由于此时的栅极电压已经比较强,在靠近栅极下方的P型半导体表层中聚集较多的电子,可以形成沟道,将漏极和源极沟通。如果此时加有漏源电 压,就可以形成漏极电流ID。在栅极下方形成的导电沟道中的电子,因与P型半导体的载流子空穴极性相反,故称为反型层(inversion layer)。随着Vgs的继续增加,ID将不断增加。
在Vgs=0V时ID=0,只有当Vgs>Vgs(th)后才会出现漏极电流,这种MOS管称为增强型MOS管。
VGS对漏极电流的控制关系可用iD=f(vGS)|VDS=const这一曲线描述,称为转移特性曲线,见图。
转移特性曲线斜率gm的大小反映了栅源电压对漏极电流的控制作用。 gm 的量纲为mA/V,所以gm也称为跨导。
跨导的定义式如下:
|
gm=△ID/△VGS| |
(单位mS) |
2. Vds对沟道导电能力的控制
当Vgs>Vgs(th),且固定为某一值时,来分析漏源电压Vds对漏极电流ID的影响。Vds的不同变化对沟道的影响如图所示。

根据此图可以有如下关系
VDS=VDG+VGS= —VGD+VGS
VGD=VGS—VDS
当VDS为0或较小时,相当VGD>VGS(th),沟道呈斜线分布。在紧靠漏极处,沟道达到开启的程度以上,漏源之间有电流通过。
当VDS 增加到使VGD=VGS(th)时,相当于VDS增加使漏极处沟道缩减到刚刚开启的情况,称为预夹断,此时的漏极电流ID基本饱和。
当VDS增加到 VGD<VGS(th)时,预夹断区域加长,伸向S极。 VDS增加的部分基本降落在随之加长的夹断沟道上, ID基本趋于不变。
当VGS>VGS(th),且固定为某一值时,VDS对ID的影响,即iD=f(vDS)|VGS=const这一关系曲线如图02.16所示。这一曲线称为漏极输出特性曲线。

二、伏安特性
1. 非饱和区
非饱和区(Nonsaturation Region)又称可变区,是沟道未被预夹断的工作区。由不等式VGS>VGS(th)、VDS<VGS-VGS(th)限定。理论证明,ID与VGS和VDS的关系如下:
2.饱和区
饱和区(Saturation Region)又称放大区,是沟道预夹断后所对应的工作区。由不等式VGS>VGS(th)、VDS>VGS-VGS(th) 限定。漏极电流表达式:
在这个工作区内,ID受VGS控制。考虑厄尔利效应的ID表达式:
3.截止区和亚阈区
VGS<VGS(th),沟道未形成,ID=0。在VGS(th)附近很小的区域叫亚阈区(Subthreshold Region)在这个区域内,ID与VGS的关系为指数关系。
4.区
当VDS 增大到足以使漏区与衬底间PN结引发雪崩击穿时,ID迅速增加,管子进入击穿区。
四、P沟道EMOS场效应管
在N型衬底中扩散两个P+区,分别做为漏区和源区,并在两个P+之间的SiO2绝缘层上覆盖栅极金属层,就构成了P沟道EMOS管。
耗尽型MOS(DMOS)场效应管
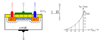
N 沟道耗尽型MOSFET的结构和符号如图3-5所示,它是在栅极下方的SiO2绝缘层中掺入了大量的金属正离子。所以当VGS=0时,这些正离子已经感应 出反型层,形成了沟道。于是,只要有漏源电压,就有漏极电流存在。当VGS>0时,将使ID进一步增加。VGS<0时,随着VGS的减小漏极电流逐渐减 小,直至ID=0。对应ID=0的VGS称为夹断电压,用符号VGS(off)表示,有时也用VP表示。N沟道耗尽型MOSFET的转移特性曲线见图所 示。

N沟道耗尽型MOSFET的结构和转移特性曲线
P沟道MOSFET的工作原理与N沟道MOSFET完全相同,只不过导电的载流子不同,供电电压极性不同而已。这如同双极型三极管有NPN型和型一样。