一. 实验目的
1. 学习用实验的方法来研究二阶动态的响应,了解电路元件参数对响应
的影响。
2. 观察、分析二阶电路响应的三种状态轨迹及其特点,以加深对二阶电路响
应的认识与理解。
二. 实验设备
|
序号 |
名 称 |
型号与规格 |
数量 |
备注 |
|
1 |
脉冲信号发生器 |
1 |
DG03 | |
|
2 |
双踪示波器 |
1 |
||
|
3 |
动态实研电路板 |
1 |
DG07 |
三、实验内容
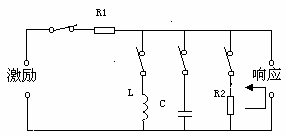
动态电路实验板与实验十一相同,如图10-1所示。利用动态电路板中的元件与开关的配合作用,组成如图10-1所示的GCL并联电路。
![]() |
图 10-1
令R1=10KΩ, L=4.7m H, C=1000PF, R2为10 KΩ可调,令脉冲信号发生器的输出为Um=1V, f=1K的方波脉冲,通过同轴电缆接至上图的激励端,同时用同轴电缆将激励端和响应输出接至双踪示波器的YA和YB两个输入口。
1.调节可变器R2之值,观察二阶电路的零输入响应和零状态响应由过
阻尼过渡到临界阻尼,最后过渡到欠阻尼的变化过渡过程,分别定性地描绘、记录响应的典型变化波形。
2.调节R2使示波器荧光屏上呈现稳定的欠阻尼响应波形,定量测定此时电路的衰减常数α和振荡ωd。
3.改变一组电路参数,如增、减L 或C之值,重复步骤2的测量,并作记录 。
随后仔细观察,改变电路参数时,ωd与α的变化趋势,并作记录。
|
电路元件 实验参数 |
实验参数 |
测量值 | ||||
|
R1 |
R2 |
L |
C |
α |
ω | |
|
1 |
10 KΩ |
调 至 某 一 欠 阻 尼 态 |
4.7m A |
1000PF |
||
|
2 |
10 KΩ |
4.7m A |
0.01μf |
|||
|
3 |
30 KΩ |
4.7m A |
0.01μf |
|||
|
4 |
10 KΩ |
10m A |
0.01μf |
|||
四、实验注意事项
1. 调节R2时,要细心、缓慢,临界阻尼要找准。
2. 观察双踪时,显示要稳定,如不同步,则可采用外同步法(看示波器说明)触发。
五、预习思考题
1.根据二阶电路实验电路元件的参数,计算出处于临界阻尼状态的R2之值。
2.在示波器荧光屏上,如何测得二阶电路零输入响应欠阻尼状态的衰减
常数α和振荡频率ωd?
六.实验报告
1. 根据观测结果,在方格纸上描绘二阶电路过阻尼、临界阻尼和欠阻尼的响应波形。
2.测算欠阻尼振荡曲线上的α与ωd。
3.归纳、总结电路和元件参数的改变,对响应变化趋势的影响。
4.心得体会及其他。
