|
| 一、 |
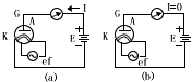
| 图2(a)是最简单的半波整流,其中B是电源,Rfz是,代表使用直流电源的用电设备,当交流e2正半波时,二极管导通,形成阳极电流ia,如图2(a)所示。当交流电压e2负半波时,二极管载止,电路中没有电流通过,这样,由于二极管的单向导电作用,使电流只能向一个方向流动,其波形如图2(C)所示,阳极电流ia流过负载Rfz产生电压降Ufz,如图2(d)所示 |
![]() 图2、半波整流电路及波形 |
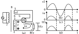
| 半波整流电路只利用了输入交流电压的半个,所以效率很低,而且负载上得到的电压波动很大,全波整流电路的效率和直流输出电压都比半波整流高一倍,其电路如图3(a)所示,对于交流电源的两个半波,电子管G1和G2轮流导通,以相同的方向供给负载电流ifz(其波形如图3(e)所示)。 图3(g)是用双二极整流管6Z4组成的全波整流电路。为了得到平滑的直流电压,需要进行。最简单的滤波电路是在负载上并联一个C作,如图4所示 |
|
|
![]() 图4、并联滤波电路及输出电压波形 |
| 如果在电路中再加入或和电容,如图5就可使负载两端的电压的平滑性得到进一步的改善。 |
![]() 图5、几种滤波电路 |
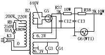
![]() 图6、整流滤波电路实例 |
| 图6是QP379-B型传输测试器电源供给电路的实例,电子管G5和电源变压器B2组成全波整流电路,经过阻容滤波器C12、R37和C13,再接到G6(WY1)和R38组成的稳压电路。 |
| 二、和稳压电路 |
|
稳压管的阴极是一个镍质的空心圆筒,内表面涂有氧化物,阳极是位于阴极中央的一根金属杆。触发极是一截镍片,一端附在阴极表面,另一端指向阳极。管内充入氖、氦和氩等到惰性气体。 |
![]() 图8、稳压管稳压电路 |
| 表一、 稳压管型号参数 |
|
| 三、检波器和二极管检波电路 |
| 检波器的作用,主要是把高频调幅波还原为我们所需要的音频信号。 收音机常用的检波器有二极管检波,阳极检波,栅极检波,阴极检波等。 二极管和双二极管的检波电路,如图9和图10所示 |
![]() 图9、二极管栓检波电路 |
![]() 图10双二极管检波电路 |
| 当高频调幅信号经过电子管G1检波之后,就有脉冲电压输出。这个电压,包含有高频成分、音频成分和直流成分。高频成分通过电容器C1滤掉,而音频和直流成分降落在R和电位器W上,其中直流成分被隔离直流电容器C2隔掉,而音频成分则通过C2送到电子管G2的栅极进行放大。调节电位器W即可调节音频电压的大小而改变音量。 |
| 四、二极管的特性曲线 |
| 二极管的特性曲线就是阳极电流随阳极电压而变化的曲线,又叫伏安特性曲线如图11所示。 |
![]() 图11、二极管特性曲线 |
|
由特性曲线(a)可看出,随着阳极电压的增加,阳极电流也增加。但当阳极电压足够大,阴极发射的电子已全部被吸引到了阳极,阳极电流就不会继续增加而变为平坦。但通常二极管在出现这种平坦状态之前,阴极已被烧坏了,所以二极管只能工作在二极管特性曲线的长升部分,图11(b)。通常,二极特性曲线可用下式描述: |
| 五、二极管的参数和极限值 |
| 为了对不同的二极管进行比较和选用,除了特性曲线之外,还利用一些参数来表示二极管的性质: 1.内阻 二极管的内阻Ri一般是指在额定灯丝电压下,直流阳极电压Ua对直流阳极电流Ia的比值: Ri=Ua/Ia 由于二极管特性曲线的非线性,各工作点的内阻是不相同的。手册中给出的二极管内阻是在特性曲线的运用范围内各工作点内阻的。 2.阳极耗散功率 二极管在工作时,电子撞击阳极而消耗的能量,使阳极温度升高,阳极必须把这些热量散发出去每种管子阳极能散发掉的能量,称为阳极耗散功率。 阳极耗散匠功率等于阳极电压Ua与阳极电流Ia的乘积: Pa=UaIa 3.最大阳极反峰电压 二极管的反向电压(阴极为正,阳极为负)的最大允许值就是二极管的最大阳极反峰电压。当反峰电压超过阳极和阴极之间的绝缘强度时,就会使二极管面损坏,所以在使二极管时,应注意不得超过手册上规定的最大反峰电压值。 4.最大整流电流 二极管允许连续不断地通过的最大平均阳极电流值,称为二极管的最大整流电流,当超过这个电流时,阳极温度将迅速升高而损坏管子。 5.最大阳极峰值电流 二极管在导电的半个周期内,当外加电压达到峰值时,阳极电流也达到最大值,所谓最大阳极峰值电流,就是指二极管允许的最大瞬时电流值。 在选用整流管时,主要从负载所需的直流电压和直流电流来考虑,整流管的最大整流电流应比负载电流大,而最大阳极反峰电压,不应低于为满足输出直流电压所需要的交流电压峰值的二倍。 6.寿命 当电子管发射电流降低到额定数值的80%时,所用的上时数称为电子管的寿命。一般电子管的寿命约为500-5000小时,长寿命管(管名后加注S)则在5000小时以上。 除了上述电气性能的定额外,还有使用环境方面的定额,如外壳温度,最低气压,耐受最大的加速度等。 |









