| 一、的工作原理 |
| 器是式直流放大中的一个重要组成部分。它把已放大了的交流还原为直流电压,其大小和极性与交流电压的幅度和要对应。 下图是解调器的原理电路,RL为,C为,其作用是使输出直流电压平滑,解调开关K与输入交流信号,Ui具有相同的。当Ui为正时,开关接通,输出等于输入电压UO,经C的平滑作用后,应可得到平滑的直流电压UO。相反,如果Ui为负时,开关接通,Ui为正时,开关断开,则输出端得到负的脉动直流电压UO。 |
![]() |
| 二、相敏整流解调器 |
| 1、半波相敏感 |
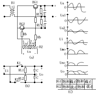
| 下图为半波相敏整流器,以C-e反接(倒置)的晶体三极管BG作解调开关器,工作过程分两种情况:当Ui与Ua为、时,若Ua为左正右负,则BG饱和(倒置工作时,C极和b极的PN结加正向电压,同样可以达到饱和状态),输出等于输入的正半波电压,故输出是正极性电压,但当Ui与Ua时,也就是说,当Ua为左正右负使BG饱和时,Ui刚好是上负下正,故输出是负极性的直流电压。由于整流输出与Ui的相位有关,所以称为相敏整流解调器。它的输出能够反映输入的大小和极性的变化。 |
| 2、全波相敏整流解调器 |
|
半波整流器只能利用输入的半波电压,因而解调效率低,下图为全波相敏。BG1、BG2均采用c-e反接三极管,分别受两个大小相等、相位板反的电压Ua1与Ua2控制。设Ui与Ua同相,正半波时Ua1左正右负,使BG1饱和接通,但Ua2为左右负却BG2截止,此时,由于Ui也为正半波(上下为负),所以输出Umo为正半波。反之,负半波时,,Ua1和Ua2均为左负右正,使GB1截止和BG2经C平滑后,就可得到平滑的正确的输出电压。同理,当Ui与Ua反相时,则得到负的输出电压。 |
![]() |
| 三、相敏放大解调器 |
| 1、半波相敏放大电路 上述的相敏整流解调器,只对输入信号起解调作用,耐无放大作用,下图为半波相敏放大电路,设输入信号es为正弦电压,并与控制电压Ua有相的相位和频率,D使集电极单向流动Re起电流串联负反馈作用 |
![]() |
| 当es与Ua均为正半波时,使BG及D均处于导通状态,则集电极电流iC流过负载RL,输出电压UO为负半波,如UO波形图的虚线所示,再经C的平滑作用,得到实线的直流电压。由于BG的放大作用,所以供给负载RL的功率甚大于基极输入功率,并由解调电压Ua供经负载能量。在上图中如果输入es与Ua即es为上负下正,而Ua却为上正下负时,虽然D仍为正偏置,但BG截止,故ic为零,输出也为零。因此,输出信号对输入信号的相位有敏感而且放大作用,故称为相敏放大器。 |
| 下图是DDZ-11型仪表中的实用相敏放大器,在下图A中,输入交流信号为Ui,B3输出交流反馈信号,解调电压Ua由变压器B2输入并经DW1、DW2限幅,使A、B两点之间的方波峰-峰值定在18伏,R2是的限流。当Ua、Ui为反偏置,ib及ic均为零。随着Ui、Ua地变化。iC为一脉动直流,可分解为恒定直流IC及交流iC-,其中IC流过RL变成解调直流电压而交流分量iC-通过变压器B3后得到反馈电压]UF。 当Ui、Ua反相进,io及ic 等于零,说明放大电路对相位有敏感作用 | |
![]() |
![]() |
| 2、、全波相敏放大器 下图为全波相敏放大电,图中M为直流电动机的定子绕组,由解调得到的直流信号驱使电机转动,以执行终端显示任务。工作原理下:若Ui和Ua同相,当Ui和Ua为正半波时,BG导通,电流iL由A→D1→BG→Re→D3→M→B通过,iL→为正半波,设电动机M正转;反之,当Ui和Ua负半波时,BG反偏截止,所以iL为零(见下图b) |
![]() |
![]() |






