凡采用I2C总线控制的普及型大屏幕彩色电视机,为了满足大屏幕彩色电视机对图像清晰度及彩色艳丽的要求,视放输出采用共射一共基极连接宽频带放大器,使视频放大器的带宽可达6M以上。输出基色信号的幅度可达100以上(本机要求不小于90)。
1 、共射一共基组合宽频带视频放大器
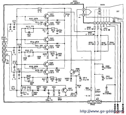
现以康佳P2592N型机的视放输出电路为例(见图1,所示),由V502与V501组成R信号的共射、共基极放大器:V503与V504组成G信号的共射、共基极放大器;V505与V506组成B信号的共射、共基极放大器。从N101(TB1240N) 18、19、20脚输出的R, G、B三基色信号,经隔离R301、R302、R303通过接插件XS305到CRT板的XP501的1、2、3脚,分别加到共发射极放大器V502, V504, V506的基极,基极串联R514, R521, R528{均为560Ω)及外部接地的C515, C516, C517(均为10pF)与前端的三只反偏结组成低通(-3dB点约为8.8MHz),用于限制图像中频及高频干抚信号并达到较好的关系。三基色信号经共射放大级V502, V504, V506放大后,直接藕合到共基极放大器V501, V503, V505,共基极的射极成为共射极的。由于共基极的输入低,比起一般视放级将RC直接接在共射极的集电极,共射极的负载阻抗要小得多,使密勒效应大为减小(密勒电容为集电极输出端与基极间的等效反馈电容b),从而使共射极的上截止频率提高。而共基极放大器,在器件与负载相同的条件下,其上截止频率比共射极高得多,故整个共射一共基电路的上截止频率比单个共射极要高许多。本机视放共射一共基组合放大器上截止频率超过6MHz,总增益为35一38dB。由V501集电极输出R信号,经隔离耦合R502加到显像管红枪阴极KR;由V503集电极输出G信号,经R503加到绿枪阴极KG;由V505集电极输出B信号,经R504加到蓝枪阴极KB,分别显像管的KR, KG, KB的电子束,使屏幕发出红,绿、蓝基色光,空间混色成艳丽的彩色图像。R502, R503, R504为隔离电阻,主要为防止显像管软跳火时损坏视放输出管。

共发射极放大器具有较高的电压增益但高端频率特性差,因此必须在共发一共基组合视放电路的共发电路中进行高频补偿,用以扩展视放带宽。R518, C504为R信号放大器的高频补偿元件;R524, C505为G信号放大器高频补偿元件;R530, C507为B信号放大器高频补偿元件。在设计中调整与电容串、并联电阻的阻值,可调节放大器幅频特性的补偿段平、直度,以确保不欠补偿也不过补偿。
2、(亮/暗)白平衡调整
由于本机心采用了I2C 总线控制的TV主芯片TB1240N,因此(亮/暗)白平衡调整均由维修按程序调整,视放板上的五只微调电位器已不再需要。为了与目前社会上拥有的多数非总线控制彩电末级视放电路的衔接,特作如下说明:暗白平衡非总线机的调整是调节末级共基输出管V501, V503, V505的集电极静态工作点,调节的方法是从该三个晶体管基极接电位器1端,电位器3端接地,中间点2通过电阻分别接这三只晶体管的射极。当旋动各电位器中间点2, 就能改变三极管的UBEO,与此同时Uco静态电位即作微量变动,在小亮度下使荧屏为白色(或水平白线)。而亮白平衡调整是以红枪为基准,调节绿、蓝两基色的共发放大器负反馈量,改变绿、蓝两基色的共发放大管增益大小,达到高亮度下的荧屏为白色。目前本机型上还保留有此五只电位器的安装孔位及几只电阻的安装孔位,但未安装元件,这正是从非总线到总线控制彩电发展期间的痕迹。也说明总线数码控制机型元器件减少,性能更加可靠。
本机暗白平衡调整(调整时屏幕显示为:RC, GC, BC), R截止(子地址07),G截止(子地址08), B截止(子地址09),实用调整范围128级( 7bit),变动TB124ON输出的R、G、B基色信号直流,从而使共基极视放输出管集电极静态电位得以调整。
本机亮白平衡调整(调整时屏幕显示为:GD、BD): G驱动器增益(子地址OA), B驱动器增益(子地址OB) ,实用调整范围64级(6bit),变动TB1240N内部G、B基色信号放大器的增益大小。
关机消除亮点电路
视放电路中关机消亮点电路如图2所示。V508, R505, R506, VD504,VD505, VD506及VD501、C510, R536, C512组成关机消亮点电路。正常工作时,+9V电压经L501, C512, R536向C510充电,充电完成后C510两端电压仅为0.6V左右,VD501为钳位,视放正常工作时使V508射极电位约为0.6V,因V508基极接地(0V),故V508反偏而截止。集电极电位=0V,集电极输出为高电位,VD504, VD505, VD506阴极与阳极之间反偏而截止,因此消亮点电路对视放正常工作无影晌。另外因C512正端接+9V,负端通过R536接C510正端(仅0.6V),并通过VD501接地,C512在视放正常工作状态时已充有足够的电荷(C512两端处于稳态时的电压近于9V电源电压)。关机瞬间+9V电源断电,电压迅速下降,与此同时由于C512充有电荷,且VD501截止,C512正(+)端通过R535, R534...等外接电阻接地,C512负(-)端通过R536接C510正(+)端,C512的放电电流通过V508基极、发射极、R536到C512负极,使C510上端为负,接地端为正,充上负电压,因C512的容量远大于C510容量,此负压加于V508的射极,同时C512提供V508饱和所需的基极电流,促使V508立即饱和导通,集电极降为低电平,VD504,VD505,VD506导通,使V501, V503, V505射极电位降为低电位,V501, V503, V505基极、发射极间电位差加大而饱和导通,集电极电压下降,显像管阴极电压迅速下降接近为零,束电流瞬时增加,使显像管玻壳内外壁形成的高压电容存储的电荷在行场扫描尚未完全停止时很快泄放掉,达到了关机瞬间消除关机后可能出现亮点的目的(该电路为发散型消亮点电路)。

共射放大器的射极静态偏置电路
共射放大器V502, V504, V506的射极静态电位、偏置电压形成电路〔即电压跟随器)见图3

由V507, VD502,VD503, R534, R535, C514, R540组成的有源即为V502, V504, V506的射极静态偏置电压跟随电路。R535,R534组成分压网络,分压点电压1.85V经VD503串VD502降压至V507基极,约为0.7V,其射极电压约为1.35V左右,作为共射放大器V502, V504, V506三只放大管的射极偏置电压源。共基极放大器的基极偏置电压直接由+9V电源提供,共基极放大管的基极经C513交流接地,因此就输入、输出信号而言V501、V503,V505为共基电路。采用V507(型管)作为视放共射放大器的射极静态偏里电压跟随器,是因为视放共基极放大管V501, V503, V505的基极都接在+9V电源端点上。电源电压稍有变化,就会影响其静态工作点,使输出管静态集电极电位变动而影响荧屏的亮度。为此,采用图3的电路,使共射放大器射极偏置电压跟随+9V电源微量的变动而同步变动,即+9V电源略有变化时,V502, V504,V506发射极电压跟随变化,确保共射、共基两只晶体管不随电源微量变动而变动,也就是说V501, V503, V505的集电极静态电位不变。这一方面可保证大批量产品性能的一致性,也可确保单机亮度不受电源电压微量变化的影响。VD503, VD502结电压(0.5-0.7V)随温度上升而减小,使V507射极电位上升,可补偿视放共射、共基级联放大器两只申联晶体管随温度上升而增加,造成静态工作点变化的影晌,使视放末级大器的温漂减小、工作稳定性大大提高。
由于C514连接在电源+9V与V507基极之间,也可避免电源瞬变而引起亮度的瞬变。
视放电路的电源供给
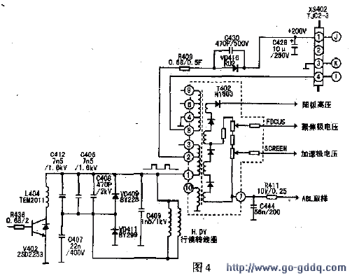
视放电路工作所需的约200V直流电压,由逆程输出的行逆程脉冲经VD416整流、C428滤波再叠加在B+(130V)电压上提供(参见图4所示),并经由XP402的1脚接CRT板(J)端(黄线引入),进入CRT板后由L502、C501、C509去藕滤波加到共基放大器集电极负载电阻的一端,R533、R538、R539(均为12kΩ/2W电阻)分别为V501、V503、V505的集电极负载电阻。由逆程变压器灯丝电压绕组提供的为6.3V交流电压,由接插件XP402的4脚接CRT板(I)端(红线引入),在CRT板上灯丝电压的提供需串联R501(1.5Ω/2F),但在1.5Ω下方不用2W而用2F,表明R501(为2瓦易熔阻燃保护膜电阻)加到显像管的灯丝。如果在维修中更换、调整逆程电容、更换显像管等,需用有效值电压表检测灯丝电压,使其在6.3Vrms(有效值)士5%范围内,可变更R501的阻值来达到。显像管工作所需加速极电压、聚焦极电压、阳极高压等均由行逆程变压器提供,直接加到显像管相关各极。
