1.三极管
半导体三极管是一种具有放大作用的半导体器件,它是由两个PN结组成的三层半导体器件。三层半导体可以排列成两种不同的组合,分别称为发射区、基区和集电区,从各区引出的电极分别称为发射极(e)、集电极(c)和基极(b),发射区与基区之间的PN结称为发射结,基区和集电区之间的PN结称为集电结。三极管的种类很多,根据材料可分为锗三极管和硅三极管;根据PN结类型分为和NPN型三极管;根据可分为高频管和低频管;根据功率可分为大功率、中功率和小功率管。见图8。
三极管的基本功能是电流放大作用,要使三极管具有放大作用,必须满足两个条件;一是发射结正向偏置(硅三极管发射结正向偏置UBE≈0.5~07V,锗三极管发射结正向偏置电压UBE≈0.1~0.3V);二是其集电结应处于反向偏置状态。
在三极管处于放大状态时,三个电极电流有如下关系:
(1)IE=+IB
(2)Ic比IB大得多,Ic/IB=β,其值近似为常数,称为三极管电流放大系数。

三极管工作时可分为三种工作状态是指三极管工作在截止区、放大区和饱和区三个区域的状态,分别称为:截止状态、放大状态和饱和状态。三个工作状态的特点及参数之间的关系如表2所示。
三极管是分立元件放大的核心元件,三极管在放大电路中有三种接法,又称为三种组态,图9是三极管在放大电路中的三种接法示意图。

所谓共射接法是指由三极管组成的两输入输出端口电路中,发射极是输入输出端口的公共极;共集接法是指集电极是输入输出端口的公共极;共基接法是指基极是输入输出端口的公共极。在由、、三极管组成的实际电路中,共射、共集、共基是对交流信号而言的,因此要把实际电路中的和直流视为短路,找出输入输出端口的公共极。
在我们即将安装的电路中,三极管1V1构成的放大电路是共集接法的放大电路;而1V2、1V3组成的放大电路是共射接法的放大电路。由于共集接法的放大电路的输入大、输出小,因此能有效地接收信号源的输入信号,又有利于把输出信号传送给;而共集接法的放大电路的电压放大倍数小于1而近似等于1,输入、输出信号一致,因此共集接法的放大电路又称为电压跟随器或称射极跟随器,一般应用于多级放大电路的输入级。共射放大电路具有很大的放大倍数,一般用作多级电压放大电路的中间级或后级,以使放大电路具有足够的电压增益(电压放大倍数)。
2.电压跟随器1V1
如图10所示的电压跟随器。三极管1V1是电路的核心元件。1V1的型号是S9013H,通过查阅手册知S9013H的主要参数如表3所示。我们在分析三极管放大电路时,可以将直流和交流信号的作用单独分析,分别叫做放大电路的静态分析和动态分析。
(1)静态工作点的计算
在实际应用电路中,往往静态工作点是可以调节的,这是为了满足三极管
参数的离散性而设计的,通过其静态工作点的调节,以使放大电路获得最佳的工作性能(最大不状态)。我们在进行电路分析时,V为13.5V,假设1RP1接入电路的阻值为300kΩ(假设),由于实际流入三极管基极的电流很小,忽略该电流对基极电位的影响,由此可以计算出:
三极管静态计算:

(2)动态分析
电路中电容.1C2隔直通交,实现了信号的耦合而使直流电源不影响信号源的工作。在分析电路的动态时,由于流过三极管基极的电流和发射极电流不是同一电流[IE=(1+β)IB],所以不能简单按照分压分流关系计算有关参数。
动态计算:

通过理论计算得出,电压跟随器具有电压放大倍数小于1而约等于1,输入电阻大,输出电阻小的特点。
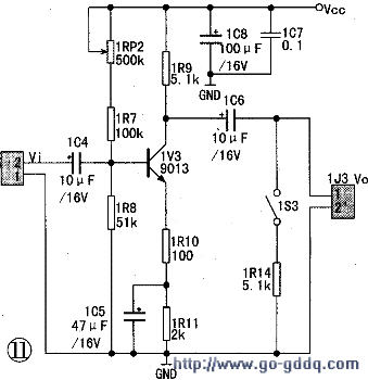
3.共射极放大电路
由1V2、1V3组成放大电路都属于共射极放大电路,下面主要讨论1V3三极管组成的放大电路,见图11。而1V2组成的放大电路与1V3组成的放大电路原理基本相同,所不同的是1V2和1V1两级放大电路之间采用直接耦合方式,所以1V2的静态工作点受到1V1的静态工作点的控制(1V1的发射极电压即1V2的基极电压)。
(1)静态分析
将电路中电容视为开路,即可得到放大电路的直流通路。电路中采用分压式偏置设置其基极静态工作点,并且在发射极由1R10和1R11串联构成电流串联负反馈,能够稳定其静态工作点。与共集电路类似,设1RP2接入电路的阻值为40kΩ,我们可以计算出放大电路的静态工作点:

通过计算可以看出。UB只与电源电压Vcc和基极分压电阻有关;IcQ的大小只与固定电压和发射极所连接的反馈电阻有关,而与三极管的电流放大系数β值无关,因此在更换三极管时,不会改变原先已调好的静态工作点。
(2)动态分析
分压式共射极放大电路的动态参数可由下面的公式计算:

通过计算可以看出,共射极放大电路的电压放大倍数较大(-160),式中的负号表示输出信号相位和输入信号相反;但输入电阻较共集电路小,而输出电阻较共集电路大。
4.负反馈
为了改善放大器的性能,放大电路中通过一个网络将输出信号(电压或电流)的一部分或全部反方向送回到放大器的输入回路,并与输入信号合成,构成反馈。电路中1C9、1R12和1R6等元件组成的支路即构成了电压串联交流负反馈。
为了分析的方便,我们可以把该电路的反馈过程用图12表示。
由于反馈取自于输出电压,并与之成正比,所以该反馈类型从取样方式来说属于电压反馈。从反馈信号和输入信号的连接方式来分析,该电路属于串联反馈,另外,反馈信号的加入,会使放大器实际输入的信号(净输入信号)减小,而且反馈电路由于电容1C9的串入。只会在交流信号时起到反馈作用。因此,这种反馈的全称为“电压串联交流负反馈”。电路引入电压串联负反馈,能够改善放大器的性能,关于这一点,我们将在后面的调试中予以讨论。
