PS/2接口是和键盘的专用接口,呈6孔圆形状,如上图所示。键盘、鼠标只使用其中的4个针脚,其余的两个为空脚。键盘接口为紫色,鼠标接口为绿色。
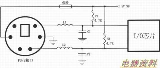
PS/2接口的如下图所示,5V SB待命(ATX插座第9脚)通过保险为PS/2接口提供5V电压。同时5V SB待命电压通过R1、R2为数据脚和时钟脚提供5V上拉电压,数据脚和时钟脚通过L1和L2连接到I/O芯片。 C1、C2为,作用是将高频杂波旁路至地,以去除高频干扰。
PS/2接口损坏引起键盘或鼠标不能使用的情况是很常见的。常见的故障表现是:键盘、鼠标都不能使用,或者开始能使用,但系统运行一段时间后又不能使用了。

如果键盘或鼠标不能使用,应首先检查5V脚是否有5V电压到,同时数据脚和时钟脚也应有5V电压。如果某个引脚上的电压不正常,则应检查该引脚至5V SB之间的线路,主要就是、、这三个元件。如果电压正常,则应测量数据脚和时钟脚的对地,这两个引脚的对地阻值应相等。如果相差过大,则应检查与之相连的电感和电容。如果都正常,则I/O芯片损坏的可能性较大。
开始键盘、鼠标能使用,系统运行一段时间后又不能使用了,这主要是与数据脚和时钟脚相连的电容变质所致(下图中的C1、C2),此时直接更换即可。

