交流稳压器通常是利用铁磁非线性特性构成,属于铁磁稳压器,它是由铁磁饱和元件再加谐振构成的稳压器。
铁磁饱和现象
一个线圈通过时,线圈中便有磁场产生,描述这个磁场有两个物理量,一个是磁场强度,用H来表示,它与线圈的圈数和流过线圈的电流强度的乘积(又称安匝数)有关;另一个是磁感应强度(又称),用B来表示,B的大少除与安匝数有关外,还与线圈中的介质有关。如果介质是空气,那么H和B数值相等,如果介质是铁磁材料时,同一线圈流过同样的电流(H相同)的条件下,在有铁磁材料的用U来表示。
在铁磁材料中,U不是固定的常数,B和H之间不是线性关系,如图1所示。在图中可见,曲线的A点附近曲线开始弯曲,再往上,B值的变化越来越平缓,H变化而B值变化很少的现象我们就称为磁饱和现象。

在讨论稳压时,我们关心的是电流的变化,在讨论磁饱和铁芯线圈时我们可以认为线圈中H与流过线圈的电流I成正比;线圈中的B与线圈的感生电压即线圈两端的电压V成正比。图2是一个铁磁介质线圈的伏安特性图,从图中可见,曲线有一段电压变化很少,动态小(这是的概念,磁饱和线圈不常用“动态”的提法)。这就是饱和区段。
简单磁饱和
图3是一个简单的磁饱和稳压电路,L1是非饱和,L2是饱和。如果输入电压V1发生变化,那么L1和L2的电流都将变化,但由于L2在饱和状态,所以L2上的电流变化时其两端的电压变化很少,大部分电压变化都落在L1上,从而保持了L2上电压,即输出电压Vo的相对稳定。当发生变化时,其结果也一样,这种简单型的磁饱和稳压器存在两个问题:一是稳压性能差,主要原因是B—H曲线的饱和部分不够陡。二是功耗大,因为要使L2进入饱和状态所消耗的功耗过大。
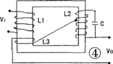
实用型磁饱和稳压器
图4是一个实用型的磁饱和交流稳压器,铁芯面积较大的一边是非饱和区,铁芯面积较少的一边是饱和区,L3称为电压补偿绕组,从上面我们知道,简单型的交流稳压器的缺点是输入电压变化会引起输出电压较大的变化,为此,改进方法是将非饱和区的一部分电压与输出电压Vo反向串接,将变化部分相抵消。L3和L1绕在同一不饱和铁芯上,成为线性,L3与L2串联,但电压方向相反,从而补偿了输出电压Vo的变化,使Vo更稳定。
要使铁芯进入饱和状态,L1将要流入较大的磁励电流,由于L1是一个感性负载。所以消耗在负载上的功率不是I和电网电压V的乘积VI,而是UOSα(COSα(称为),因此流过L1的总电流将比较大,即功耗过大,稳压器的效率只有50%左右,为此可用并联铁磁谐振加以克服。

由于电感上电流比电压滞后90度,上电流比电压相位超前90度,如果电感和电容并联,加上同一电压,电感上的电流IL和电容上的电流Ic将相互抵消,因此,当IL和Ic的大小接近相等时,尽管IL和Ic的数值很大,但供给并联回路的总电流却很少,这称为并联谐振。这种铁磁谐振的实用价值在于不用很大的输入电流就能使电感饱和,从而克服了稳压电路从电网吸取电流过大的缺点。