功放扬声器保护电路原理框图如图1所示,图中含有了三种保护方式。(1)直流保护:当功率放大电路发生故障,其输出端出现的直流电压的绝对值超过设计限度时,保护电路中的直流检测电路即把它检测出来,变成控制信号。控制信号经放大后控制翻转,驱动保护动作,断开功率输出电路,使扬声器得到保护。同时,控制信号还启动指示电路工作,使保护指示灯闪烁报警。(2)过载保护:当输出电流超过额定输出电流的1倍左右时,过载检测电路输出保护控制信号,控制输出电路断开,保护扬声器及功放。(3)开机延时接通保护:通过开机延时电路控制继电器驱动电路的工作状态,使继电器在开机时延时1~4秒钟接通扬声器,以避免开机过程中产生的浪涌电流冲击扬声器,使其音圈移位。

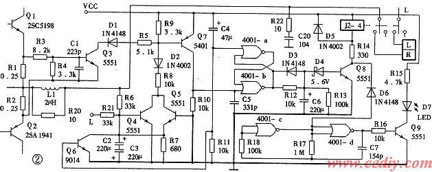
具体电路如图2所示。该电路以Q4、Q5为中心,组成了直流电压取样检测电路。图中的Q1、Q2等系右声道功率输出电路(左声道功率输出电路图中未画出)。右声道的直流电压取样信号经由R6(左声道取样信号经由R21)衰减、隔离,C2、C3,送往Q4、Q5、R7组成的互补式直流检测电路进行监测。当右(或左)声道的功率输出电路出现正极性的较大的直流失调电压时,电流经R6(或R21)、Q4的be结到地,Q4导通,其集电极输出控制电平,经R8、D2送Q7放大后,输往R-S触发器。同样,功率输出电路中出现负的直流失调电压时,电流经地、Q5的be结、R6(或R21)、OCL电路中点,Q5导通,也输出控制电平。这种取样检测方式为互补方式。

R1、R2、R3、R4、Q3等组成了过载检测电路(左声道的过载检测电路未画出)。R1、R2分别用来对输出级上、下臂功率管的过载情况进行取样。Q3对输出电路进行过载状态监测。R1两端的电压与功率管Q1的发射极电流成正比,该电压经过R3、R4、R2衰减分压,成为Q1发射结的正向偏压。调整R3、R4的阻值,可使此电压在额定输出状态下不能使Q3导通。当功放工作异常致使Q1严重过载时,流过R1的电流大增。从而产生足以使Q3导通的正向偏压,使Q3导通,输出监控信号,经Q7放大后送到触发器,使触发器输出状态翻转,继电器释放,断开功率输出电路。例如,Q1发射极瞬间输出电流达到10A时,R1两端的电压可达0.25Ω×10A=2.5V。这一电压经R3、R4、R2分压,仍大于0.7V,足以使Q3导通。下臂功率管则从R2两端取出电压,经R1、R3、R4分压后,提供给Q3监测。
为了使过载保护电路不影响放大器的正常使用,电路中增加了C1。C1与R3组成滤波网络,避免Q3被高频强信号误控导通。另外,为避免Q3损坏而失去保护作用,有的电路中还在Q3基极与地间增加了一个和组成的箝位电路。当Q3基极的电压过高时,通过此电路分流限压,保护Q3。D1、D2在电路中起隔离作用,避免过载保护检测电路与直流保护检测电路互相影响。
图2中,C6为延时,C6、R12、R13与D4、Q8组成延时电路,开机时,触发器输出的高电平经R12、R13分压后向C6充电。由于C6两端的电压不能突变,其正端在开机时被拉低为地电位,加之C6的充电电路时间常数较大,以及D4的存在,使Q8不能立即导通。当C6正端所充电压达到5.6V+0.7V≈6.3V时,D4导通,Q8也导通,继电器吸合,功率输出电路接通,达到开机延时保护的目的。
图2中的触发器则是一个由4001集成块中的“或非”门组成的典型R-S触发器,设C4负端接R端,Q7集电极接S端,则输出端Q与R、S端的关系见附表。
附表 R-S触发器真值表
|
R |
S |
Q |
逻辑功能 |
|
0 |
1 |
0 |
置0 |
|
1 |
0 |
1 |
置1 |
|
1 |
1 |
不变 |
保持 |
|
0 |
0 |
不变 |
不允许 |
图2中,C4为触发器的预置(初始化),即一开机就使R端为1,使触发器输出高电平,经延时后,驱动Q8导通,J2-4吸合,接通扬声器工作。
另外,由于功率放大电路上、下臂间不可能完全对称,Q1、Q2的工作点在开机时,容易产生偏差,致使输出中点电位偏离0V,并通过直流检测和放大电路去影响触发器的S控制端,干扰延时保护的正常工作。为了避免这种现象,该电路在直流检测电路的输入端与地间增加了Q6。开机时,经C4提供的预置电压,使Q6饱和导通,迫使直流检测输入端的绝对值电压远远低于0.7V,而无监测电平输出。C4与Q6的be结、R11组成的充电回路的时间常数,远远大于OCL电路工作点建立的时间,保证保护电路能可靠地工作。
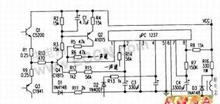
图2中由4001集成块中两个“或非”门和Q9、D7等组成的保护指示电路,4001-c、4001-d接成“非”门,与R17、R18、C7组成一个多谐。调整其阻容值,可以改变振荡器的振荡。振荡器输出的方波信号,经R16隔离,再通过Q9放大后驱动D7闪亮报警。D6是隔离二极管,在Q8饱和导通、继电器吸合、功放正常工作时,通过D6使4001-c的反馈电压到地,强迫振荡器停振,并使4001-d输出高电平,控制D7常亮。当Q8截止电路处在保护状态时,D6反向截止,避免Q8集电极的高电平影响振荡器的工作在检修功放的输出电路中,常常会遇到继电器不能吸合的故障,除了功放中点电压偏移引起电路保护之外,保护电路本身不正常也是故障的原因之一。常见的功放保护电路有两种,一种是分立元件组成的电路,另一种是由组成的保护电路。两种电路在实际应用中都十分常见,下面以μ237构成的功放保护电路为例介绍其电路原理和检修方法。由μPCI237组成的保护电路.保护范围包括:中点电压漂移保护、功放末级过流保护等。电路的保护十分灵敏,保护电路的动作时间小于1秒,只要外围电路的元件选取得当,电路工作十分可靠。但此类保护电路,因为电路的灵敏度太高,有时会出现误保护的故障,此时若在的①,②两脚分别对地加接一只:104的电容,可以有效防止误保护的发生。其电路工作原理如下:
![]() |
