制作时,直流高压采用谐振式(CL)结构简单(如中图),效果较CLC式电路好。其特点是在扼流圈两端并上一谐振Cx,使谐振电路谐振于100。但在实际制作时,用于选购或自制的扼流圈量误差较大,按理论计算的Cx值与实际情况有较大差距。必须通过试验,选取合适的才能达到要求。
全波输出的是含100Hz的直流。CL并联谐振电路在谐振时,其最大,对脉动电压的衰减也最大,输出的直流电压更平滑。根据公式

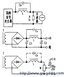
在f和L已知的情况下可选择C,使谐振回路谐振于100Hz。不同的量的扼流圈所配电容见附表。选取Cx的试验电路见下图。其中T为小型,次级输出电压3V~6V;L为实际使用的扼流圈,W为电位器。电压表可用交流电压挡(如用毫伏表更好)接入A、B处。将不同容量的电容接到L两端(可使用串并联方法),使电压表读数最小。如用示波器接人A、B端,则效果更直观。耐心选择cx可使波纹峰值在20mV以下。
如果用信号发生器作信号源更方便(见上图)。当Cx接入L两端时,调整信号发生器,使R上电压最小。如此时信号发生器指示频率低于100Hz,则说明Cx容量偏大。反之则说明Cx值偏小。
当信号发生器指示为100Hz,R上电压最小时,说明Cx值选取合适。 经试验后选取的Cx与扼流圈接入胆机直流高压电路中,滤波效果十分显着。
