教具J3420~J3427是中学地理学科演示的八种模型,演示内容包括全球大洋洋流分布及成因、全球大气运动规律、大气冷峰与暖峰及其对天气的影响、气旋与反气旋形成原理、气压带与风带的季节变化和海陆水循环水平衡的原理等。这套模型运用的流动亮灭演示洋流、气流的运动方向及轨迹,具有良好的演示效果。下面以水循环演示模型的为例,介绍这套模型的电路原理,供分析及维修参考。其他各种模型的电路与此大同小异,触类旁通即可对其进行检修。
电路原理
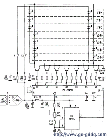
水循环模型的电路如附图所示。将模型的插头插入市电插座,合上开关Kl、K2。T的次级12V经整流桥整流和器C3后,供整机使用,无须稳压。时基电路2获得后开始振荡,IC2的③脚将振荡脉冲送到ICl的CP端,十进制计数电路CD4017开始计数,其输出端Q0~Q7依次出现高。当某一个输出端例如Qo为高电平时,与该端连接的两只使三极管Ql和Q2同时饱和导通,Q1和Q2集电极连接的纵向四列14只发光(Q2集电极连接的两纵列发光管未画出)点亮。ICl的CP端接收到连续的振荡脉冲,使点亮的纵向灯列逐渐右移。当ICl的Q7变高时,ICI被清零,QO变高,这样ICl输出端的高电平将在QO~Q7之间不断转换循环,点亮的纵向灯列也会由左向右循环移动。
水循环模型由优质保丽板作基板,其上印刷有彩色地图,根据水循环的方向和运动轨迹标记有相应的箭头,发光管就布置在这些箭头内。水循环模型上有七个箭头,图中的七个灯串(灯串A~灯串G)分别固定安装在七个箭头内。当通电演示开始后,箭头尾部的两只发光管首先点亮,然后顺序移动亮至箭头的尖端,之后全部熄灭,再从箭尾亮起。如此即可演示水循环的方向和轨迹。
其他几种演示模型与水循环模型的区别是。根据演示需要,有的安装两只演示开关,如图中的K1和K2,有的安装一只或三只开关;男一个区别是印刷的箭头数量及安装的发光管总量不同,多的安装有180余只发光管。但其工作原理是基本相同的。
电路调整调整很简单,通电测量ICI和IC2的电源端有12V~14V直流电压就能正常工作。接着根据演示需要调整电位器RP,使灯光流动速度适宜即可。
故障检修常见故障有:
1.每个灯串中有两个发光管点亮,但无流动效果。原因是IC2组成的停振所致。应检查R17、R18及电位器RP是否有开路。重点检查相关焊点是否有虚焊假焊,电位器内部是否断极开路;器C5是否短路或失效。
2.部分发光管不亮。由于模型面导线纵横交错,且用线较细,搬运时碰撞或跌落有可能导致引线断裂。可从不亮的发光管中找出规律,例如,灯串E~灯串G中都有一只发光管不亮,且都在箭头的尖部,那么断线点肯定在三极管Q7集电极连接的纵向灯列、灯串E相应发光管的正极处,将其重新焊接后即可排除故障。