● 品书香 > 电子设备技术 > 电器电路基础 >

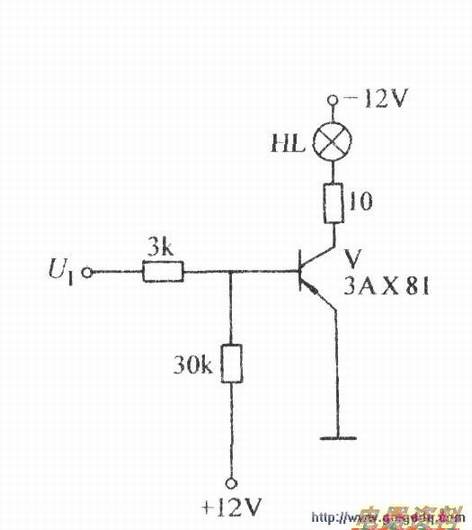
带灯反相器电路


带灯反相器电路  

  • 上一篇:引向天线与馈线连接时应注意的问题
  • 下一篇:射极跟随器电路
热点内容
    ·StrongARM
    ·极化继电器
    ·隐藏Vista开始菜单中的使
    ·OLED器件基本结构
    ·显像管机械参数
    ·超声成像系统及主要子功能
    ·强制开启Win8 RTM正式版全
    ·SCART端子定义
    ·线阵CCD测长系统工作原理
    ·摄像头产品的术语详解