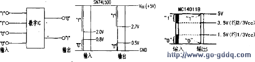
以四为例,其多个输入端“1”或“0”的组合(或从“1”变到“0”、“0”变到“1”的组合),决定了其输出端“1”和“0”的组合,即输入和输出保持确定的逻辑关系,而没有模拟的“放大”作用,基本工作状态见图。由图可知,TTL(74LS00)和(MC14011)电路的输入、输出范围有相当差别。
以四为例,其多个输入端“1”或“0”的组合(或从“1”变到“0”、“0”变到“1”的组合),决定了其输出端“1”和“0”的组合,即输入和输出保持确定的逻辑关系,而没有模拟的“放大”作用,基本工作状态见图。由图可知,TTL(74LS00)和(MC14011)电路的输入、输出范围有相当差别。