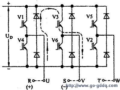
的输入端和输出端之间是绝对不允许接错的。万一将进线错误地接到了变频器的输出(U、V、W)端,则不管哪个逆变管导通,都将引起两相间的短路而将逆变管迅速烧坏。
如图所示。假设在某一瞬间,的R端为“+”,而S端为“-”,则在逆变管V3导通的瞬间,将经VDl和V3而短路。V3将立即烧坏。由于六个逆变管以极高的(载波频率)不断地交替导通着,而变频器从跳闸到切断电源是需要时间的。所以,六个逆变管将很快地全部损坏。

的输入端和输出端之间是绝对不允许接错的。万一将进线错误地接到了变频器的输出(U、V、W)端,则不管哪个逆变管导通,都将引起两相间的短路而将逆变管迅速烧坏。
如图所示。假设在某一瞬间,的R端为“+”,而S端为“-”,则在逆变管V3导通的瞬间,将经VDl和V3而短路。V3将立即烧坏。由于六个逆变管以极高的(载波频率)不断地交替导通着,而变频器从跳闸到切断电源是需要时间的。所以,六个逆变管将很快地全部损坏。
