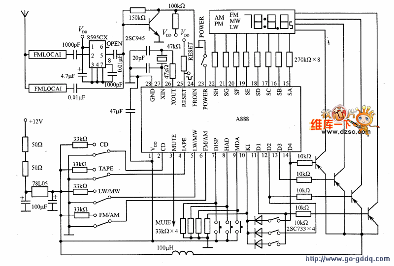
/AM 收音机 集成芯片 很多,下面以 A888 为例简要介绍FM/AM收音机 。如图1所示为用A888组成的FM/AM收音机 。

图1 用A888组成的FM/AM收音机电路
A888 芯片 属于A8XX系列电路,A8XX和A7ZXXX系列电路可用于收音机、汽车收音机、组合音响 和 等 电子 产品中,能以数字形式在 或 上显示正在接收的电台的,也可以显示时钟信息等。 此种芯片集成度很高,所以收音机的外围元件很少,电路非常简单。此收音机电路的工作原理也很简单, 收音机部分的工作原理与以上介绍的AM、FM的类似,增加的数字显示部分的原理是:将本振频率送入 器,经处理运算和判别后,由LED或LCD将 器 对应的频段与频率显示出来。频率显示范围与间隔分别是 :FM,60~140M,50kHz;AM,500~2000kHz,1kHz。
欢迎转载,信息来源维库电子市场网( www.dzsc.com )