开关 器件有许多种类,如双极型 BJT、快速 晶闸管 SCR、可关断GTO 晶闸管、场效应晶体管 MOSFET 和绝缘栅双极型晶体管 等。其中,经常使用的是 MOSFET 和,在小功率变换器上也延续使用BJT。
开关器件特性及其驱动是开关变换器的关键技术问题。开关管的损耗与B 极的驱动、的波形有直接的关系。
尽管双极型晶体管和场效应晶体管都统称为晶体管,但控制方法却有很大差异。例如:双极型晶体管的自激振荡 不能直接移植至功率场效应晶体管的电路上。另外,使用场效应晶体管时,一般认为栅源回路高,但在高频 中,输入极间不能忽略;在开关速度上,必须同时考虑所并联的反向 的反向恢复时间,所以开关的提高受到一定的限制。在开关速度达到一定值时,还要考虑开关电流是否会对驱动电路产生干扰等。
在离线变换器中,首先要关注的是晶体管关断电压;其次是导通电流。这些参数都取决于变换器类型、功率和可靠性等。
一、双极型晶体管
1. 双极型晶体管导通或截止状态
双极型晶体管基本上是个电流控制器件,即加入变动的B 极电流△IB,产生变动的C 极电流△,共射极电流放大倍数β为:β=△IC/△IB。
双极型晶体管工作原理,这里不作赘述。只考虑在实际的开关应用中,晶体管处于饱和导通或截止两种状态。
为了加快退出饱和,以利提高开关频率,常加控制环节使开关导通工作时在准饱和状态,准饱和是指在深饱和与线性区之间的一个区域,对应IC-VCE 输出特性曲线开始弯曲部分。在准饱和区,电流增益开始下降,但保持着E 结正偏、C 结反偏的状态。这比把深度饱和导通的晶体管(C 结已处于正偏状态)转为关断状态要容易得多,快得多。
2. 驱动电路
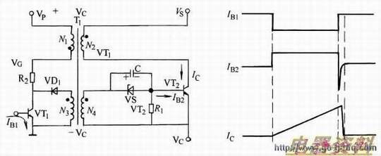
(1)一般B极驱动电路B 极驱电路要注意隔离和保护的问题,并使驱动电流波形为最佳。
B 极驱动电流波形大致如图l 所示。为了加快开通和降低开通损耗,波形的前沿要陡,在一定时间内有2~3 倍额定驱动电流,然后降低到额定电流,以维持准饱和导通状态关断时,反向B 极电流IB2 可以大一些以便加速抽走B 极存储的过剩载流子,缩短存储时间tstg 和管压降上升时间tf。反向的基极电流斜率有人认为越快越好,也有人认为不要太快,以利慢恢复。其中,①延迟时间td:从有B 极驱动电流开始到VCE 降到其初始值的90%之间的时间间隔;②管压降下降时间tr:VCE 从其初始值的90%降到10%的时间间隔;③存储时间tstg:从B 极电流Ib2 反向时刻开始到VCE 为其关断终止值的10%的时间间隔;④管压降上升时间tf:VCE 从其关断值的10%上升到90%之间的时间间隔。常把td+tr 称开通时间,tstg+tf 称为关断时间。

图1 B极驱动电流波形图
(2)比例B极驱动电路B 极驱动电路有个缺点,即当C 极工作电流减小时,晶体管存储时间不能显着、有效地减少,这是因为晶体管放大系数β是变化的。
使用比例的B 极驱动电路,可以控制IB 值,使晶体管在所有C 极电流下保持准饱和状态。因此,这一驱动方法使小C 极电流工作时,使B 极电流成正比例减小,这样,比固定的B 极驱动电流法(轻载时管子进入过饱和状态)要缩短些存储时间。图2 示出了一个实际比例的基极驱动电路。

图2 实用的比例基极驱动电路图
3. 双极型晶体管的保护电路
(1)双极型 功率晶体管 的过电流保护。
目前双极型晶体管的过电流保护有三种方法,即状态识别保护法、桥臂互锁保护法和LEM 模块识别法。
①状态识别保护法
当双极型晶体管处于过载或短路故障状态时,随着C 极电流IC 的剧烈增加,其B 极电压VBE 和C 极电压VCE 均发生相应变化,因此可监测B 极电压VBE 或C 极电压VCE,与预定的基准电压进行比较后,即可发出命令切除双极型晶体管的驱动信号。
图3 是B 极电压VBE 的识别电路实例。VT1 的B极电压VBE 与基准值电压VR 通过 比较器 进行比较,正常工作条件下,VBE 低于VR,比较器输出低保证驱动管VT2 导通,一旦VBE 高干VR 时,比较器输出高电平驱动管VT2 截止,切除VT1 的驱动信号,关断已过电流的VT1。
图4 是C 极电压VCE 识别电路。其原理与VBE 识别电路类似。

图3 B极电压VBE的识别电路图

图4 C极电压VCE识别电路图
②桥臂互锁保护法
桥臂互锁就是保证任何时刻只有一只双极型晶体管(VTA 或VTB 防止两管同时导通造成直接短路。这种互锁保护电路是用与门逻辑判断来实现,其原理如图5所示。图中上桥臂VTA 的B 极驱动电路受下臂零电流互锁信号控制,而下桥臂VTB 的B 极驱动电路又受上桥臂的零电流互锁信号控制,这样就达到上述目的。

图5 桥臂互锁保护电路原理图
③LEM 模块保护法
LEM 模块是一种磁场平衡式电流 。LEM 模块的电路示意图如图6 所示。

图6 LEM模块电路图
任意时刻二次电流的安匝数都与一次电流的安匝数一模一样,只要测得二次绕组的小电流,就可知道一次侧的大电流。既可测直流,又可测交流,还可测脉冲电流。不但响应速度快,而且与被测电路隔离。
因此,LEM 模块成为快速过电流保护的理想器件。
(2)双极型晶体管的浪涌电压吸收电路
双极型晶体管的浪涌吸收有三种典型电路,即图7(a)所示的RC 吸收电路;图7(b)所示的充/ 放电型RCD 吸收电路;图7(c)所示的放 断型RCD 吸收电路(图见下页)。目前最常用的是放断型RCD 吸收电路。

(a)RC 吸收电路(b)充/ 放电型RCD 吸收电路(c)放断型RCD 吸收电路
图7 典型的双极型晶体管的浪涌吸收电路图
二、场效应晶体管
1. 场效应晶体管及其驱动电路
(1)场效应晶体管
场效应管 (MOSFET)与双极型晶体管相比,具有如下优点:①电压驱动,且驱动功率小;②是多数载流子工作器件,开关速度快,无“二次”,热稳定性好。因此,场效应管是一种适应开关 小型化、高效率化和高可靠性要求的理想器件。
图8 中,源极跨在两个半导体区上,N型管箭头向左,表示载流子 电子 从源极出发;P 型管箭头向右表示载流子空穴从源极出发。无论哪一型管子都是利用多数载流子导电(双极型晶体管是包含少数载流子导电的),不存在载流子导电和多余载流子复合表现出来的存储时间,因此,动作快,频率高,不存在二次击穿。

(a)N 型场效应管(b)P 型场效应管
图8 场效应管的结构示图
在有限管子直接并联时,由于具有正,可以自动均衡电流(双极型晶体管则是具有负温度系数,所以并联要采取均流措施),不会产生过热点。这些都是MOSFET(场效应管)管的优点。
使用MOSFET 功率管 比使用双极型晶体管可得到更多的好处。特别当器件用在高频时(一般在100 k 或更高),MOSFET(场效应管)的突出优点更会显现出来。