大功率的电机,直接启动就困难,因此不宜频繁的正反启动。直接启动的控制方式,只适宜小功率鼠笼电机。如果实在需要,功率又较大,就像老式的电梯、行车的控制系统一样,需采用滑环电机。或者采用减速、制动、降压启动等方法的双闭环系统。或者采用电子软启动器、交流等等。
通常最简单的人工操作办法是正转停止操作后,稍等一下,待电机减速后,再按反转启动按钮。这样冲击就小多了。
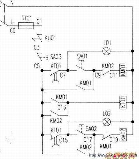
人工掌握这个时间是困难的。因而要实现上述效果,可采用下图的简单的时间、限位开关、速度继电器等元件来进行控制,这些办法多用于机床设备之中。
下图中。时间继电器用来调整电机自由停车时间。当停止时,正转接触器KM01断开,相应时间继电器Kt01也断开(要选用断电延时型的时间继电器。如JS14A—D)。这时,如再揿反转启动按钮。因为时间继电器Kt01的触点没有闭合。所以揿反转启动按钮不起作用。同理,要再回到正转状态,先揿停止按钮SA03,等待信号指示灯LD1亮时。揿正转启动按钮,正转接触器KM01闭合,电机才能正转启动运行。
如果控制的设备是位移系统,可使用两个限位(接近)开关。第一个限位开关用于切断电机。第二个限位开关表示电机贯性滑行到位。开始反转动。这样,就可以实现继电器的自动控制。
如果控制的设备是旋转系统。电机断电后。用旋转速度继电器检测电机是否停止,输出一个信号来启动反转接触器。也可以实现继电器的自动控制。

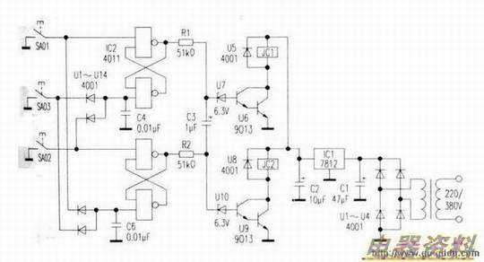
右图所示是电子元件的控制原理图。也具有互锁、延时等功能。与右图继电器控制原理相比。还多了一个功能。即配合外围电路下图.用于小型交流异步电机正反转控制。
右图电路中。集成块2一CD4011构成两个简单的RS。晶体三极管U6(由两只9013构成达林顿)、R1、继电器JC1等组成了电机正转输出电路。同样。对称的组成了电机反转输出电路。正转、反转分别控制。电路接通后,两个RS触发器的复位端。接有C4.完成上电自复位。两个触发器的Q端均无输出。电路处于等待阶段。
按下按钮SA01,IC1的(3)脚变为高H,晶体三极管U6延时导通,延时时间由R1、C3。以及二、三极管U6、U7的门槛决定。延时时间到后,继电器JC1吸合,接触器KM01闭合,制动器TD01得电松开。电机开始正转启动运行。
按照常理操作,要先按停止按钮后。再按反转按钮。但右图中,当按下按钮SA02时,同时通过,关断了正转RS触发器,不需要专门揿停止按钮,减少了一次操作。
这时,反转RS触发器的Q端变成高电平,正转RS触发器的Q端变成低电平。跨接在两个触发器之间的器C3,先被反向放电后再充电。外围接触器KM01关断。电机断电。制动器TD01失电抱紧制动。电机最后停止。电容器C3的充电电压逐渐升高。超过二、三极管U9、U10的门槛电压后。三极管U9导通,继电器JC2吸合。接触器KM02闭合,制动器TD01得电松开。电机开始反转启动运行。
当继电器JC1断电后。继电器JC2并不是马上吸合,而是通过电容器C3充放电延时,有一个过渡过程。电机通过制动器完成减速停车。这样,电机正反转时启动大电流冲击的问题得以解决。使用故障率大大降低!