一、的与
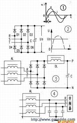
变频器输入侧功率因数偏低的原因,与工频电动机的运行功率因数低有着重要的区别。由于电动机是感性,运行的滞后于,功率因数的高低取决于电流与电压之间的相位关系,如图1所示。而变频器功率因数低是由其结构造成的。变频器通常是“交一直一交”式结构,即三相交流经三相整流桥和器变为直流,再经控制电路和逆变管转换为可调的交流电。在整流过程中,如图2所示,只有当交流的瞬时值大于直流电压UD时,整流才会导通,整流桥中才有充电电流,显然,充电电流总是出现在电源峰值附近的有限时间内,呈不连续的脉冲波形。这种非正弦波具有很强的高次谐波成分。高次谐波的瞬时功率一部分为“+”,另一部分为“一”,属于无功功率。这种无功功率使得变频调速系统的功率因数较低,约为O.7~0.75。
二、提高功率因数的措施
由于变频器输入侧功率因数较低的原因。不是电流波形滞后于电压,而是高次谐波电流造成的,所以不能通过并联补偿器来提高功率因数。而应设法减小高次谐波电流,具体措施就是接入电抗器,见图3。图中AL是交流电抗器,接在三相电源与整流桥之间。DL是直流电抗器,接在整流桥与滤波电容器之间。使用其中一种就有明显效果,两种共同使用可将功率因数提高到0.95以上。直流电抗器除了提高功率因数外。还能限制接通电源瞬间的充电涌流。另外,不允许在变频器输出端,即与电动机的连接端并接电容器。因为变频器输出的所谓正弦波,实际上是脉冲宽度和占空比的大小按正弦规律分布的脉宽波,这个脉冲序列是变频器中逆变管不断交替导通形成的,如果在输出端接入电容器,则逆变管在交替导通过程中,不但要向电动机提供电流,还会增加电容器的充电电流和放电电流,会导致逆变管损坏。
三、电抗器的选用
电抗器对大部分变频器来说不是标准配置,是选配件。应根据需要选用。常用的直流电抗器规格见表1。交流电抗器规格见表2。
四、交流电抗器的相关应用
有时为了降低设备投资的成本而不接交流电抗器,容忍变频调速系统在低功率因数下运行。但在下列运行环境中连接交流电抗器则是必需的:
1.如与变频器在同一供电系统中的电子设备较多,变频器的高次谐波将影响电子设备正常工作,这时应在变频器输入侧连接交流电抗器,同时用1000V、100nF-220nF的电容器进行滤波,尽量减小高次谐波的干扰,如图4所示。
2.同一供电系统中有容量较大的设备,由于可控硅设备也会导致电压波形的畸变,与变频器相互产生影响,因此,两种设备的输入端都应接入交流电抗器。
3.多台变频器运行于同一供电系统中,除了变频器之间互相影响外,还会导致相邻设备工作失常,这时每台变频器输入端都应接入交流电抗器。
