倒车后视镜显示屏,顾名思义,即指安装在原车后视镜位置的显示屏。在显示屏不工作时,可作为倒车后视镜使用。本文以-650H后视镜显示屏为例进行介绍,其如下图所示。
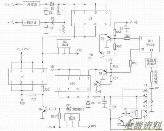
1.+5V供电电路
A(+l2V)经U1稳压后,输出+5V电压,为系统电路供电,使CPU(SMO8951)进入待机状态。轻触“POW”键,CPU的(39)脚断开内部电路,通过上接R517输出高,控制Q9导通,U2的(4)脚为低电平,使U2输出+l2V电压,分两路输出,一路经U3稳压后,输出+5V电压为小信号处理电路供电,另一路为U9~U11供电。U11(SP9741)是一块内置振荡电路、基准稳压电路、定时锁闭电路、误差放大电路、电路的两通道驱动控制器。
U9、U1O和U2均内含一只P沟道MOS开关管,栅极引脚(4)脚为控制瑞,源极引脚(1)-(3)脚在内都是连接在一起的,漏极引脚(5)~(8)脚在内部也是连在一起的,在本文中简称输出端。
2.-14.7V、+l7V、+6V电路
U11(7)脚输出的PWM脉冲,经Q5放大后,送入U9的(4)脚,控制U9对脉冲进行放大,然后从(8)脚输出后分两路输出:
第一路在U9导通时,脉冲电流通过L1,L1储能,D3截止,U9截止时,L1产生,D3导通,L→地→E2→D3→向E2充电,在E2上产生负电压,经n型后输出-14.7V的直流电压,为液晶显示板供电;第二路在U9导通时,脉冲电流经D6向E4充电,经π型滤波后输出+l7V的直流电压,为液晶显示板供电。
Q3、Q6的作用是提高U9、U1O内MOS开关管的开关速度,降低开关损耗。当Q7、Q5截止时,Q3、Q6导通,使MOS管快速关断。
3、高压电路
高压电路其实就是一个将直流、低压电源逆变为高压、交流电源的自激推挽式DC-AC升压变换器,简称ROYER。
T1为,它的工作由C1和T1主绕组的决定。T1初级有3个绕组,主绕组为双线并绕,中心抽头。(3)、(4)脚连接电源,(2)脚和(5)脚分别连接到Q2、Q1的集电极;辅助绕组的(1)脚和(6)脚分别连接到Q1、Q2的基极,决定Q1和Q2的导通或截止;R1和R2提供Q1和Q2启动导通时的电压。
由于Q1和Q2的性能不可能绝对一致,所以在接通电源的瞬间,+l6V电压向Q1、Q2基极注入的电流也不可能绝对平衡,流经两个开关管的集电极电流也不能完全一致,设ic1>ic2,则的大小与方向由ic1决定。辅助绕组(6)脚感应电动势为负,使Q2的基极电位下降,Q1的基极电位上升,从而对Q2形成负反馈,使Q2的集电极电流(ic2)变小,对Q1形成正反馈,Q1的集电极电流(ic1)急剧增大,最终使Q1饱和导通、Q2截止。Q1饱和导通后,辅助绕组上的感应电动势消失,Q1的基极电位下降,其集电极电流也随之下降,辅助绕组的感应电动势反向,即(6)脚为正,引起Q2的基极电位逐渐上升,Q1的基极电位逐渐下降,最后Q2饱和导通,Q1截止。
以上两种过程循环进行,从而在T1的次级形成振荡,产生高压。由于冷阴极荧光灯输出高,且灯管的启动电压远高于正常工作时的电压,所以需要加上C2隔离,以获得一个无损耗的串联阻抗。
4.保护电路
为避免因灯管开路或接触不良而出现高压升高现象,引起打火而烧板,本机在冷阴极荧光灯管的低压侧安装了一个电流反馈回路,用来检测灯管的电流,从而控制U11(10)脚输出PWM脉冲的大小。电流反馈回路由、取样、U11(14)脚内的误差放大器组成。
