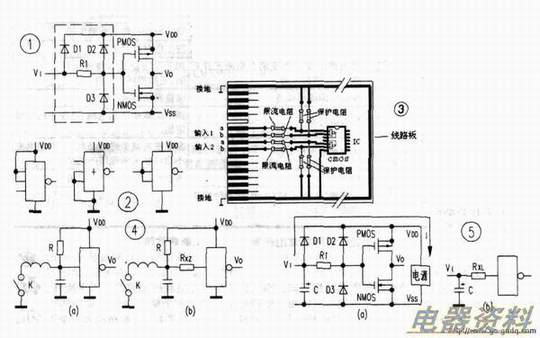
的输入端有两个明显的特点,一是输人端的栅极与源漏之间通过的二氧化硅层来隔离的,厚度为700—800A以下,等效输入达1010n以上。以氧化层为介质的输人构成了良好的储能节点。如果输入端加上100V以上的,氧化屡就会被,使电路遭受永久性损坏。另一是为了防止氧化层击穿,在输入端上有保护网络如图l所示。由于这两个特点.电路的应用将受到一定限制。
1.输入信号电压的范围
为了防止输人保护二极管因正向偏置而引起的大破坏,输入信号电压VI必须限制在VDO和vss之间,即vsssvI≤VDD。通用的数字电路直流容限的保证值是的30%.因此输入低VIL应在vss和0.3VDD之间,即VSS≤VIL≤0.3VDD.输入高电平VIH应在VD和0.7VDD之间,即0,7VDD≤VIH≤VDD.的典型输人值因是VDO或vss。VI的极限值是VDO+0.5V,VSS-o.5v。因此对通用的电路来说,除非产品有特殊的说明,否则在任何情况下,输入低电平不得低于Vss-o.5v;输入高电平不得高于V叩+o.5v。如果超出极限值,则电路就被永久性损坏。
2、输入端输入电流的限制
CMOS电路的任何一个输入端的典型输人电流值都是lOnA。这就是说输入端本身几乎不吸收电流。但是有些电路如RC型脉冲发生器,单稳态等利用保护二极管的信号电平进行钳位,这时保护二极管就会流过一定的电流。当然还有许多情况会使保护二极管流过电流,而保护二极管在设计时允许流过的电流是有限的。为了安全起见,国内、外都把每个输入端上的输入电流的绝对值限制在lOmA。如果一个门有4个输人端,那么在每个输入端上流过的电流应限制在lOmA/4以内。一般来说,输入电流以不超过1mA为佳。假如说加在输入端上的是一个低内阻的信号源,就有必要对输入信号采取必要的限流措施。
3、多余输入端的处理方法
CMOS电路是由PMOS和NMOS管串联组台而成,因此输入端就不允许悬空(开路)。因为输入端一旦悬空,输入电位不定,便会破坏电路的正常逻辑关系。此外,悬空时很高,容易受到外界噪声的干扰,使电路产生误动作。而且悬空时也极易使栅极感应静电,造成栅极击穿。
对于多余的输入端头要根据电路的功能分别处置。如与门和的多余端应接VDD或接高电平:而和或的多余端应与vss或低电平相接。如果电路的工作不高,功耗也不需要特别考虑的话,可将多余端与使用端并接。如图2所示。
需要强调指出的是,电路装到印刷电路板上时出现的输入端悬空问题。印刷电路板不论大小.总是有输入端。如果不采取措施,印刷电路板在贮存期间,或由操作拨出时,输人端就会悬空。这个问题可以通过在各输人端接入限流保护的办法予以解决,如图3所示。
4、输入端接线过长的保护措施
实际应用时CMOS电路系统与机械触点相连接时以及在其他特殊情况下,输入端往往需要通过长线连接。长线的加人必然伴随着较大的分布和分布,很容易形成LC振荡,如图4(a)所示。特别是在输入端一旦产生负振荡电压时,就有可能使保护二极管损坏,因此有必要采取一定的保护措施。方法是:在输入端串接一个电阻Rxz,电阻值的大小可按照Rxz=V/lmA的原则计算。如VDD=12V.则Rxz=12kΩ。如图4(b)所示。
5、输入端接有大电窖时的保护措施
在系统设计中有时要用大电容来解决抗干扰和延迟等同题。这时如不加以保护,就有可能损坏电路。如在切断的瞬间,电容器储存的电能将通过输入保护二极管和电源内阻进行放电。电容容量越大,则瞬间放电电流就越大,这就很有可能烧坏输入保护二极管。如图5(a)所示。保护的办法同样是在输入端串接一个限流电阻Rn,使输入端的电流不超过ImA,如图5(b)所示。
6、静电击穿及其预防措施
CMOS电路加上保护网络以后,在输人端与Vss和VDD之间就可以承受1V~2KV的静电电压而不会损坏。当输入电压V1大fVDD时,输入二极管Dl正向导通,输入端被(VDO+VDZ)钳位(VDZ为二极管正向压降)。当V.小于Vss时,输入二极管D3正向导通,输入端电压被钳位到(Vss~VDZ)。这也就产生了CMOS输人电压的极限值。
事实上,有了保护网络,不等于电路在各种状态下绝对安全。这种保护网络只对lkΩ左右的静电和几伏的干扰脉冲尖峰有钳位保护作用,能起到防止栅极被静电击穿的作用。由于保护二极管的几何尺寸有限,电阻值也只在2kΩ以内,因而所能承受的静电和干扰脉冲的能量就有一定的限度。实际上我们周围环境往往能产生相当高的静电。如人们在急速穿脱人造纤维服装时,由于衣服之间的激烈摩擦,就可能在人体和工作服上产生高达几万伏的静电。这么高的静电如果加在CMOS器件的栅极和衬底之间,则CMOS器件一定有被损坏的危险。
通过上述情况分析,对在实际应用中的CMOS电路很有必要采取以下预防措施,确保万无一失。
(I)COMS电路应在金属容器或其他带有导电的容器中存放和运输.绝不能存放在容易产生静电的泡涑塑料、塑料袋中。
(2)生产或安装使用CMOS电路工作者的服装、手套等应由无静电的材料制成。工作台上耍铺上导电的金属板。各种工具,测量仪器、椅子等均应接到地线上。对电烙铁的外壳必须有良好的接地,还要对它的接地线做定期检查。
(3)在调试CMOS电路板时,如果信号源和CMOS电路板分别用两组电源,则应先开CMOS电路板上的电源.后开信号源的电源。
结束后应先关掉信号源电源,再美掉CMOS电路板的电源。
(4)在拔插CMOS电路板时,应先关掉电源。
(5>在CMOS电路板进行时,严禁带电焊接。
