双稳态器件有两类:一类是,一类是锁存器。锁存器是触发器的原始形式。基本锁存器由一对互耦的逻辑门组成【图4.2.1(b)(c), 图4.2.2(a)(b)】。
图4.2.1 用或组成的基本RS触发器
(b)结构 (c)图形符号

图4.2.2 用组成的基本RS触发器
(a)电路结构 (b)图形符号
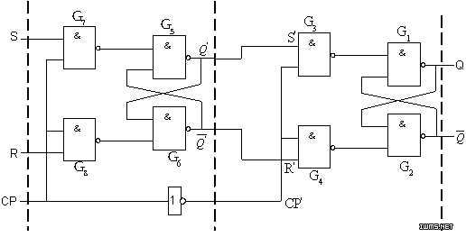
在基本锁存器【图4.2.4(a)(b)】基础上可以形成具有一定抗干扰能力的脉冲选通锁存器。

(a) (b)
图4.2.4 同步RS触发器
(a)电路结构 (b)图形符号
将两个脉冲选通锁存器级联起来可以形成抗干扰能力更强的主从触发器【图4.2.8(a)(b)】。
