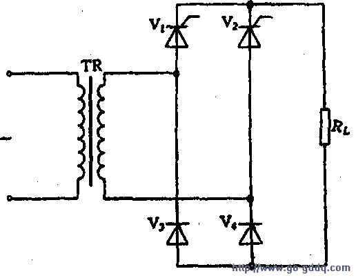
单相桥式半控是由整流、和两个晶闸管、两个组成的,如上图所示。
单相桥式半控整流电路可以采用一个触发电路,把触发脉冲同时加到两个晶闸管的门极上,承受正向的晶闸管得到触发脉冲时导通,而另一个晶闸管因承受反向电压不会导通。因此,触发电路简化了。其他特点如直流输出电压、移相范围等与单相全控桥式整流电路一样。
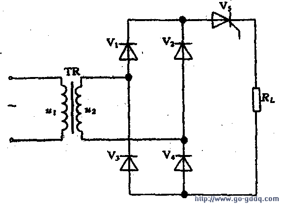
还有一种单相桥式半控电路,只使用一只晶闸管构成直流调压的桥式整流电路,如下图所示。
这种电路只用一只晶闸管,且晶闸管不承受反向电压,所以可以选用反向耐压较低的晶闸管。但要选用维持较大的管,以保证电压过零时导通电流能低于维持电流而可靠关断,并且晶闸管前不能接。否则会导致电压过零而晶闸管阳极电压不过零,导致晶闸管不能关断。

