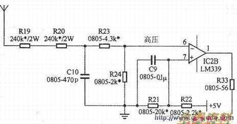
电磁炉高压保护单元的作用是时刻检测管C极,在电磁炉工作出现某些意外的情况,IGBT管C极电压接近IGBT管最大耐压值时,对IGBT管进行保护,电气结构如图所示。
整个超压保护结构以比较器为核心组成。在比较器2B的“+”输入端,R22、R21分5v电压作为运放的比较基准电压,“-”输入端R19、R20、R23、R24分压取自IGBT管C极。在正常情况下“-”输入端的电压小于“+”输入端的比较基准电压,比较器IC2B输出高,保护电路不影响整机工作。
当整机出现异常情况,IGBT管C极电压接近IGBT管最大耐压值时,“-”输入端的电压大于“+”输入端的比较基准电压,比较器IC2B输出低电平拉低IGBT管导通门限电压,缩小IGBT管驱动占空比,缩短IGBT管导通时间,降低IGBT管C极电压,达到保护IGBT管的目的。IGBT管C极电压超压保护单元的保护性质是限制性保护,保护动作时整机不停止工作,使用者不易察觉。在实际的应用中,为了能更好地保护昂贵的IGBT管,在整机设计时会在的软件上采取限制性保护措施,即限制电磁炉在最大输出功率状态下,LC谐振回路的谐振电压不超过IGBT管本身耐压值的85%。
