日前,在对参加高职对口升学考试学生进行复习过程中,有这样一道题如下。
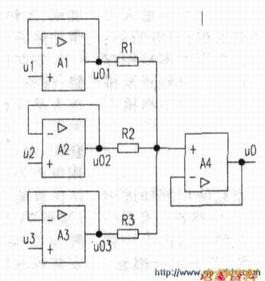
原题:理想集成运放Al、A2、A3、A4组成的如下图所示,写出u01、u02、u03和u0的表达式:
当ul =1V、u2 =2V、u3 =3V且RI =R2 =R3 =R时,求u0之值。
此题的正确解法有多种,主要是运用理想集成运放特性和基尔霍夫定律中的解题方法计算。其中A1、A2、A3构成器,故可得:u01=ul、u02= u2、u03= u3。
由理想集成运放特性可知:uO=u-=u+由节点定律可得:

u0=2V

当在批阅试卷时,发现一名学生是这样表达的:
uO=(u01/Rl+u02/R2+u03/R3)x(Rl∥R2∥R3)代人已知也得出:u0=2V问其为何这样做,他回答用总电流乘以总就可得总,这种回答显然是错误的。理想集成运放输入电流为O,三个支路电流相加应为0.但问题在于他用此种方法所做出的答案是正确的。笔者试着用此种方法去解复杂直流电路计算问题,发现对具备某种条件的复杂直流电路,用此方法求解支路电流,不仅正确,还十分简单,现以两个例题说明。

解:此题与上题相似,主要是为说明解题方法,故图3与图2只有E2极性相反的区别。


在这两道例题中,用此种方法计算结果与用其他方法计算的结果完全一样,但计算要简便得多,读者可去验证。笔者在用此种方法验证时发现该方法对所有由单个串联电路组合成的两节点并联电路均适用,无论串联支路有多少。对凡能将其他形式电路联接转换为单个串联支路形式的也可采用此种方法,当然要视具体难易情况选择。
此种方法的步骤是:
a.先用单个支路中的总电压源和总求出一个电流,将所有单个支路中的电流桐加(当然要考虑电压源极性,如例l和例2的E2处理就不一样)。
b.再求出单个串联支路去掉后(若为电压源视为短路,电流源视为开路)的总等效。
c.用前面求出的电流与总等效电阻相乘得出两点间的电压Vab。
d.再用该串联支路上的电压源总和减去Vab,然后除以该支路上的电阻就可得该支路上的电流。若该支路无电压源,则直接用Vab除以该支路上的电阻就可得该支路电流。
