1.DVI接口简介
DVI全称为Digitial Visual Interface(数字视频接口),它是1999年由on Image、Intei(英特尔)、CoiIlpaq(康柏)、IBM、HP(惠普)、NEC、Fujitsu(富士通)等公司共同组成DDWG (Digital Display Work-ing Group/数字显示工作组)推出的接口标准。它是以Silicon Image公司的PanalLind接口技术为基础,基于TMDS(Transition Minimized Differential Sig-naling/最小化传输差分信号)电子协议作为基本电气连接。
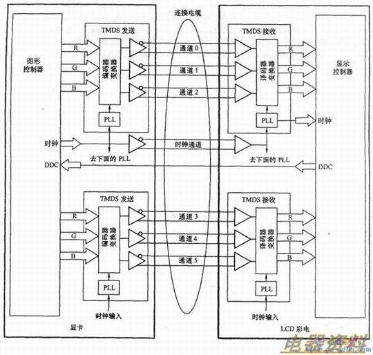
TMDS是一种微分信号机制,它运用先进的算法,把8 bit数据(R、G、B中的每路基色信号)通过最小转换编码为10 bit数据(包含行、场同步信息、时钟信息、数据DE、纠错等),经过DC平衡后,采用差分信号传输数据。它和LVDS、TTL相比有较好的电磁兼容性能,可以用低成本的专用电缆实现长距离、高质量的数字信号传输。TMDS的链路结构如下图所示。

在实际中,TMDS器件分为TDMS发送器和TMDS接收器。其中,TMDS发送器可以内建在计算机显卡芯片中,也可以以附加芯片的形式出现在显卡上:TMDS接收器则安装或集成在液晶彩电主板电路中。工作时,显卡产生的数字信号由TMDS发送器按照TMDS协议编码,通过DVI接收的TMDS通道发送给液晶彩电内的TMDS接收器,经过TMDS接收器,送给液晶彩电的SCALER电路进行处理。DVI显示系统的结构如下图所示。

2.DVI接口及其引脚定义
DVI又分为DVI-A、DVI-D和DVI-I等几种。
DVI-A接口用于传输模拟信号,其功能和D-SUB完全一样;DVI-D接口用于传送数字信号,是真正意义上的数字信号输入接口,DVI-D接口的外形和引脚定义如上图所示。而DVI-I兼具有上述两个接口的作用:DVI-I接口的外形和引脚定义如下图所示。DVI-1接口的引脚功能如下表所示(DVI-D接口没有Cl~C4脚,其他脚定义与DVI-I接口相同)。
| 引脚 | 功能 | 引脚 | 功能 |
| 1 | TMDS数据2- | 16 | 输入检测,用于向主机发送热插拔信号 |
| 2 | TMDS数据2+ | ||
| 3 | TUDS数据2/4屏蔽 | 17 | TNIDS数据O- |
| 4 | TlvIDS数据4- | 18 | TNIDS数据0- |
| 5 | THDS数据4+ | 19 | THDS数据0/5屏蔽 |
| 6 | DDC时钟 | 20 | TMDS数据5- |
| 7 | DDC数据 | 21 | TNIDS数据5+ |
| 8 | 垂直同步信号 | 22 | TNIDS数据时钟屏蔽 |
| 9 | TMDS数据1- | 23 | TMDS时钟+ |
| 10 | TNIDS数据1+ | 24 | TMDS时钟- |
| 11 | TNIDS数据1/3屏蔽 | Cl | 模拟R信号 |
| 12 | TNIDS数据6- | C2 | 模拟6信号 |
| 13 | TMDS数据3+ | C3 | 模拟B信号 |
| 14 | DDC+5V | C4 | 水平同步信号 |
| 15 | 接地 | C5 | 模拟地 |


DW-I可以兼容DVI-D装置(包括连接线),但是DVI-D接口却不能够使用DW-I连接线。大部分显卡是DVI-1接口,DW-D的线缆也可以使用;大部分的液晶彩电是DW-D接口,没有*~C4插孔,DVI-I的线缆不能使用。
3.单通道和双通道DVI接口
液晶彩电的DVI接口还可分为单链路(单通道)DW输入和双链路(双通道)DVI输入。上图为单链路DVI数字信号输入方式,液晶彩电通过DVI接口输入一组数字视频信号,在现在的液晶彩电中使用较多。
下图为双链路DVI数字信号输入方式。液晶彩电可以通过DVI接口输入两组数字视频信号。
对于DVI单通道输入方式,只需要DVI接口的18个针(引)脚,因此,这种接口也称18针DVI接口。
当采用单通道DVI输入方式时,去除了DVI接口的④、⑤、(12)、(13)、(20)、(21)脚(即通道3、4、5的信号),仅保留通道0、1、2的信号,单路通道的信号带宽为165M。对于DVI双通道输入方式,需要DVI接口的全部24个针脚,因此,这种接口也称24针DVI接口。
在画面显示上,单通道的DVI输入方式支持的分辨率和双通道的完全一样,但刷新率却只有双通道的一半左右。一般来讲,采用单通道DVI输入时,最大的刷新率只能支持到1920×1080(60Hz)或1600×1200(60Hz),再高的话就会造成显示效果的不良。

