白色发出的光比手电筒小灯泡发出的光还要亮,而且聚焦非常好。另外,用白色发光要比小灯泡省电省得多。一般2.5V左右的小灯泡在3V供电时,大都在300~500 mA,而白色发光二极管只有10~30 mA。
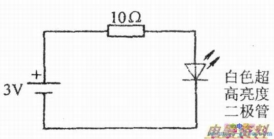
下图为用直径3衄的超高亮白色发光二极管代替手电筒小灯泡的。
当限流为10Ω时,发光二极管的电流约15 mA,但此时发光二极管的亮度已经超过小灯泡的亮度。
如果为了代换手电筒中的小灯泡方便,可以把超高亮白色发光二极管串一个10Ω,焊在坏了的小灯泡(敲去玻璃壳)的灯丝两端。
