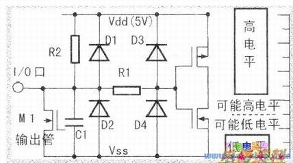
上图是两种的输入模型,如4001,74HC00,74HCTl38等。D1~D4是输入保护,R1是保护,也就是说输入信号只能限制在Vdd+0.7V~Vss~0.7V之间,避免M1.M2的栅极。但是瞬间的突变,二极管来不及反应,毛刺电压仍能传到栅极,所以使用者仍需要防静电。信号过大或先加信号都会使D1或D2正偏。
二极管正偏太大(大于1mA)可能触发内部的寄生结构,造成所谓的“锁定效应”而损坏。为此要先加后加信号,先关信号,后关,避免D1,D2正偏。
很高,可以看作一个10PF的器。如果测试时发现“吃信号”现象,插上输入信号幅度就变小,肯定有问题。可能的原因是:电源或底线没有接好,集成电路输入端击穿。
CMOS输入的低规定是小于30%电源电压(1.5V),高电平是高于70%电源电压(3.5V)-般在2.5V为分界线但不一定是2.5V,也可能是2V、3V。如果一片TTL电路输出带CMOS,TTL电路输出高电平3.5V,静态时大多数CMOS是能认识高电平的,但是这时CMOS内M1PMOS弱导通,M2NMOS强导通,CMOS有不必要的电流。所以最好是外接一个4.7kΩ。在较高情况,波形在高电平持续时间显然少于低电平期间,会造成波形甚至丢失,上拉尤其有用。从下图可以看到CMOS门的输出失真。
在上图左边的74HCTXX类型电路成功的解决这个问题,将输入阈设置在1.5V,0.8~1.5V为可能低电平范围,1.5~2.OV为可能高电平范围。

