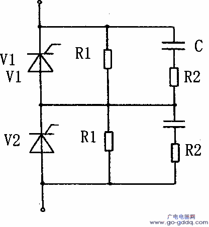
晶闸管串联时,由于漏不同,导致阻断状态时串联运行的各晶闸管承受的不均匀,因此必须采取均压措施,可以在器件上并联均压。另外,还有一个动态均压问题。当关断时,由于串联的各个晶闸管关断时间不一致,其中最先关断的一个将会单独承受全部反向电压而导致。所以在每个晶闸管上需并联阻容均压环节,利用两端电压不能突变的特点来使各个管子承受的瞬间反向电压均匀起来,如图所示。
虽然采取了以上均压措施,但实际上串联运行时晶闸管上的分压仍不会完全相等,所以晶闸管串联运行时还应把它的反向峰值电压降低使用,一般乘以系数(0.8~0.9)。
