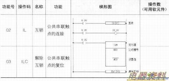
互锁指令IL(02)和解除互锁指令ILC(03)的操作码、名称、功能、梯形图、操作数见下表。

指令功能说明:
(1)互锁和解除互锁指令是专为处理分支而设计的。IL指令前的串联触点相当于分支电路分支点前的总开关,IL和ILC间的梯形图相当于各条分支电路。
(2)互锁IL指令有效,相当于总开关接通,在IL和ILC之间的梯形图被驱动。但不论互锁指令有效与否,IL和ILC之间的指令均参与运算,都要占用扫描时间。
{3)在IL内再采用IL指令,就成为互锁指令的嵌套,相当于在总开关后接分路开关。但ILC指令只能用一条。
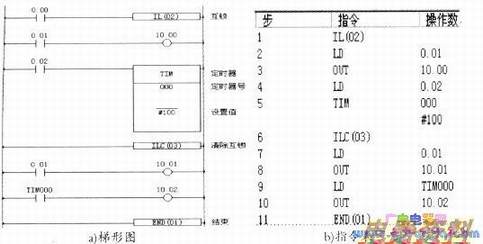
IL、ILC指令的应用举例如下图所示。
在下图中,当触点0.00闭合时,IL有效,若此时触点0,01、0.02闭合,则输出线圈10.00得电,定时器线圈TIMOOO得电,lOs后触点TIMOOO闭合,线圈10.02得电。当触点0.00断开时,IL指令无效,若此时,触点0.01、0.02闭合,线圈10,00、TIMOOO均无法得电,输出继电器10.00无输出,定时器TIMOOO也不计时,当然,线圈10.02在1Os后也不会得电。因线圈10.01在ILC指令之后,不受互锁指令IL的影响,当触点0.01闭合时,它仍然会得电。

分支电路也可以采用下图(a)的方法来处理,其作用同图1(a)完全一样,而且更为形象直观,但他们的指令是不一样的,在下图中使用了暂存继电器TRO,它是将触点0.00状态存放在暂存继电器TRO中,在需要的时候调用它。
从指令表中不难看出,当分支较多时,使用TR处理,比用互锁指令处理的程序要繁琐一些。

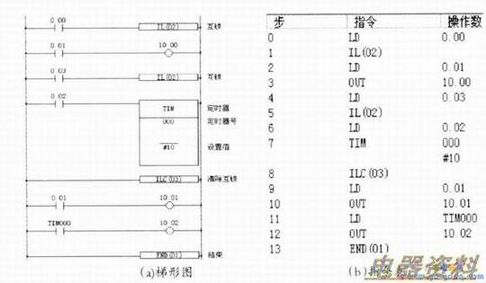
注意,在用梯形图编程时,编程界面上看不到TRO;但在用指令表编程时,必须要用到它,否则就无法实现预期的功能。IL、ILC指令的嵌套应用举例如下图所示。
在下图中,和触点0.03相连的IL是互锁的第二层,因为多了一层互锁,所以只有当触点0.00、0.03和0.02同时闭合时,才会驱动定时器线圈TlMOOO。
