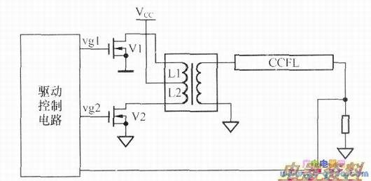
推挽驱动器非常简单,如下图所示。推挽驱动器只用到两只沟道MOSFET,并将升压的中性抽头接于正,两只功率管交替工作,输出得到交流。由于功率共地,所以驱动控制简单。另外由于变压器具有一定的漏感,可限制短路,因而提高了电路的可靠性。
推挽结构的驱动电路最大的缺点是要求直流电压的范围小于2:1。否则,当直流电源电压处于高端时,由于交流波形的高因数,系统的效率会降低。这使推挽结构不适用于笔记本电脑,但对于液晶彩电非常理想,因为逆变器直流电源电压通常会稳定在±20%以内。
电路工作时,在驱动控制的控制下,推挽电路中两个开关管Vl和V2交替导通,在初级绕组Ll和L2两端分别形成相反的交流电压。改变输入到Vl、V2开关脉冲的占空比,可以改变Vl、V2的导通与截止时间,从而改变了变压器的储能,也就改变了输出的电压值。需要注意的是,当Vl和V2同时导通时,相当于变压器初级绕组短路,因此应避免两个开关管同时导通。
