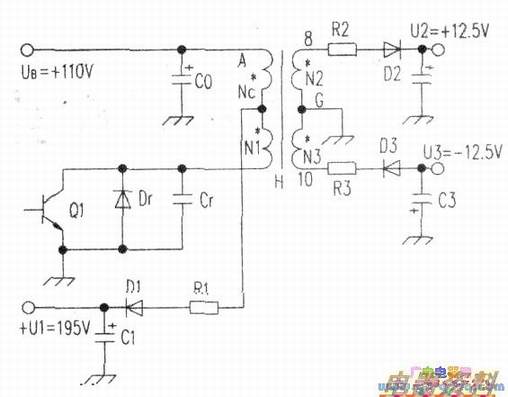
彩电的视放、音频、场扫描输出及某些的,多由行输出提供。行初级一旦确定,(Nc+N1)的匝数就可以确定。由行输出组成的二次电路如图下所示。(以创维21NK9000CRT彩电为例)。
音频多为甲、,随音量大小而变化,场扫描输出需要较大功率,因此要求它们的供电电源必须为低内阻。而有些电路的工作电流小,平均电流几乎不变,但值较高,这种电源的内阻允许高些,例如视频放大器的电源。
低内阻电源必须采用“正激”输出,即在行管饱和期直接经变压器变压后整流得到;允许高内阻且需要高电压者可采用“反激”输出。输出同样的电源电压,反激输出的绕组匝数只要正激绕组的l,7左右。
从右图可知,由“伏秒正负面积相等”定理,Nl和Ne串联两端,正弦波面积(平均电压乘截止期Tr=12μs),与开关管饱和期间的UB乘饱和期Ts=52微秒的矩形面积相等,即:

即逆程端的正弦电压峰值为Um=6.8UB。变压器绕组Nc两端在逆程期的电压峰值为:

视放电源取自行管集电极回路的中间抽头,从而可以少绕一个绕组,以降低成本。变压器④脚对地电压为NC两端的反峰电压与UB正方向串联,反峰(逆程)电压是一个正弦形电压,则为该正弦电压的(峰值)UNCm与U8叠加后的极大值,经整流后的U1,为直流电压,其值约等于:


按视放要求,Ul必须为195V,而UB=110(V),则有:

因为整流过程的电压损失及逆程期电源功率的消耗使逆程电压随时间衰减,使得Ul比(1)式的理论值要小,也就是说,实际上必须满足:

n可以在(2)式的基础上再通过试验稍作修正,以得到其准确值,从而确定Nc,Nl两绕组间的抽头位置。
按照图1的同名端标识,D2在行管饱和时导通,U2属于正激型电源。⑧端的电压为:

U8必须约等于U2的值12.5(V)

U2经D2整流后比U8略小一些,故实际的N2应该比(3)式的结果略大,当然也必须由试验最后敲定。
上述的绕组匝数是基于标准逆程时间12μs设计出来的。而逆程时间实际值取决于逆程容量与总电感量(Nc与Nl串联绕组与行偏转线圈并联值),可能会稍微偏离标准的12μs(自由振荡半)。逆程电容容量越小,则逆程电压峰值越高。因此逆程电容容量会直接影响反激输出电源的电压。