变电站的同期装置


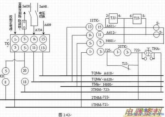
  在变电站,还有同期控制系统。要合上一个,必须要用同期开关TK把待并两侧送入同期比较装置,将同期TJJ投入工作,插入防误锁,才能通过KK开关合上断路器。这种同期系统二次回路如图2.42

6  

  图中的同期继电器TJJ有两个线圈,若比较的电压不同期,TJJ动作,常闭接点打开。S是测量两个电压的电压表。TQMa和TQMa’是同期电压小母线,由同期开关TK与1#手同期开关1STK把比较电压送入TJJ。1THM、2THM和3THM是同期合闸小母线,操作回路正由TK送至1THM,再通过1STK进入同期回路,如果是用同期继电器,正通过同期接点进入2THM;如果是手同期操作,则合上2#手同期开关2STK并且合上同期按钮THA,正电源进入3THM,然后插入防误锁,就可以操作控制开关KK分合断路器(结合附图《非综合自动化的控制回路》)。

  母联开关的同期回路与线路同期回路基本一致,只不过母联的同期TK上的9和15分别引入的是Sa630和Sa640。

  注意,这里的同期合闸与保护的同期重合闸是不相同的,前者受人为控制,本质上是手动合闸,后者是保护的自动重合闸。

  一般的同期需要满足三个条件:1、电压相等;2、相等;3、相角相同即同步。但是在微机保护的同期重合闸中,使用了很巧妙的办法:只记忆跳闸前线路电压A609和母A630的相角差,再与重合闸时两电压的相角差做比较,误差在20°内就认为是同期的。这是因为电网的电压等级是一定的,待并两侧电网的频率是由各自的发电机调节,只要两边电网的相角差一致就认为两侧并未失步,可以同期。这和发电机并网是不同的。