变电站的闪光报警系统


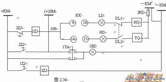
  闪光回路的1ZJ、2ZJ都是直流屏本身自带继电器,闪光小母线(+)SM编号100装设在直流屏和控制屏,再用电缆连接两块屏的小母线(在直流屏上均能看见以三个端子为一组的端子排,分别为+KM,-KM和SM)。其与操作回路图构成的闪光回路可用图2.36表示。

4  

    结合本书最后的附图《非综合自动化的控制回路》分析,KK开关的9、10是合后状态,14、15是分后状态。当KK在合后状态,在分闸时,负通过不对应回路与(+)SM接通,由于1ZJ线圈存在,LD发出暗光,同时1ZJ时间接点延时动作2ZJ,2ZJ常开接点延时闭合,1ZJ线圈被短路,LD发出明光,同时2ZJ常闭接点延时打开,1ZJ返回,2ZJ也返回,LD又发出暗光,一直延续下去。断路器在合闸时的不对应状态同理。1TA是实验按钮,白灯1BD能起到监视的作用,1TA和1BD装设在中央信号控制屏。

  这里的+KM、-KM和(+)SM母线是直流屏上的母排,我们接出控制电源后到每块保护屏的小母线上(这里只画出了保护屏的-KM’小母线),然后每个保护有专用的控制保险(这里只画出2RD),每一路保护的不对应回路都并联接在-KM’和(+)SM之间。

  不对应信号的复归,只需要将把手KK开关打在短路器相应位置即可。