根据实物测绘这两种原理图见(上图)、(下图)。
电路核心为带过零检测的光电耦合MC3063,专用lC的使用使得固态的电路变得相当简洁。当固态继电器的输入端加上3V~32V的直流控制,并且检测到交流电压过霉时,IC④、⑥脚导通向送出触发信号,固态继电器输出端接通。
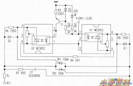
由于结构及工艺上的原因,单片的大、高耐压双向可控硅制造相对较为复杂,成本较高,因而几乎80A以上的固态继电器都采用上图电路,使用两片带过零检测的光电耦合.MC3063分别在正、负半周驱动两个反向并联的单向可控硅,来完成双向可控硅的功能。
上图中R2、R3、Tl、ZD1,下图中的Rl、R2、Tl、T2组成近似恒流电路,使得固态继电器的输入端在较宽的直流控制电压范围内光电耦合集成电路MC3063内部发光管获得相对稳定的驱动电流。
虽然固态继电器有很多优点,但与传统继电器相比,过载能力较差,因此在选用固态继电器时除了额定电压要满足工作电压要求外,其额定电流一般至少要比工作电流选大一挡。并且应选用与工作电流匹配的快速作为固态继电器的短路及过载保护。
