串联反馈和并联反馈


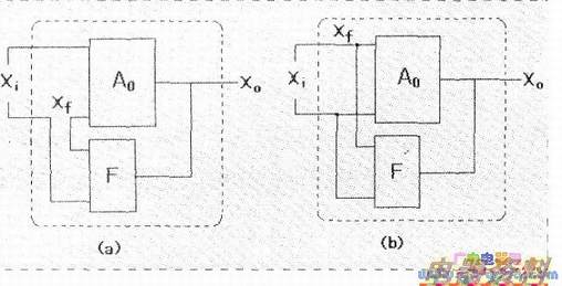
  反馈信号Xf是如何与原输入信号Xi叠加后送入放大器呢?有两种形式,一是串联后输入,如下图(a)所示;二是并联后输入,如下图(b)所示。

  Xf与Xi串联后输入的方式叫做串联反馈,反馈网络与原输入信号是串联关系;Xf与Xi并联后输入的方式叫做并联反馈,反馈网络与原输入信号是并联关系。反馈的输入方式直接影响放大器的输入特性。