5110液晶屏与其它的液晶屏不一样,是通过导电胶连接驱动模块与印制板,而不采用电缆连接。用模块上的金属钩可将模块固定到印制电路板上,因而非常便于安装和更换。两外,LCD控制器/驱动器芯片已绑定到LCD晶片上,使得模块本来就小的体积显得更小巧了。
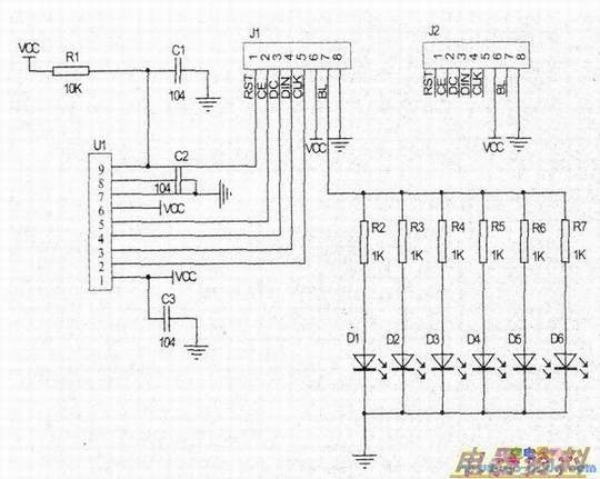
这里介绍目前比较流行的驱动电路图,见下图。电路中的符号和描述,见下表。


5110液晶屏与其它的液晶屏不一样,是通过导电胶连接驱动模块与印制板,而不采用电缆连接。用模块上的金属钩可将模块固定到印制电路板上,因而非常便于安装和更换。两外,LCD控制器/驱动器芯片已绑定到LCD晶片上,使得模块本来就小的体积显得更小巧了。
这里介绍目前比较流行的驱动电路图,见下图。电路中的符号和描述,见下表。

