集成阶梯式稳压如下图所示。该电路和直流分立稳压电路的主要区别是:
①在回路串有风机温度保护器KT,当室内风机温度超过100℃时,切断变压器供电回路,当温度降低到一定值又自动接通变压器回路。
②用全桥DB替换VD1~VD4,用7812替换下Vl、Rl、VDW,使稳压电路中元件减少,增强了稳压电路的可靠性。

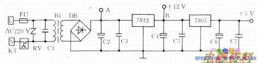
集成阶梯式稳压如下图所示。该电路和直流分立稳压电路的主要区别是:
①在回路串有风机温度保护器KT,当室内风机温度超过100℃时,切断变压器供电回路,当温度降低到一定值又自动接通变压器回路。
②用全桥DB替换VD1~VD4,用7812替换下Vl、Rl、VDW,使稳压电路中元件减少,增强了稳压电路的可靠性。
