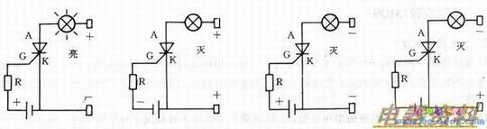
单向有阳极A、阴极K、控制极G三个电极,由四层半导体N构成。单向可控硅有三个PN结,其内部结构与等效符号如图4-10所示。单相可控硅可等效看成一个PNP型三极管Vl和一个NPN型三极管V2组合而成,Vl基极和V2集电极相连,Vl集电极和V2基极相连,此连接处为可控硅控制极G,Vl的发射极为可控硅阳极A,V2的发射极为可控硅阴极K。可控硅没有触发前,阳极A和阴极K之间呈关断状态,可控硅被触发后阳极A和阴极K之间呈导通状态,从阳极A流向阴极K,其电路如下图所示。
当可控硅控制极G与阴极K之间加正向触发时,可控硅导通,有电流通过。可控硅导通后,只要A、K之间保持正向电压和维持一定电流,去掉触发电压可控硅仍可保持导通状态。在A、K间电压与电流不能维持导通时,或A、K之间电压极性发生变化时,可控硅则由导通变为截止。
