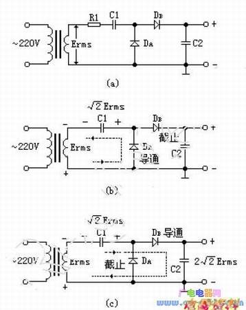
下图a表示一个半波二倍压。下图b和下图c绘出了的工作过程。为明了起见,假设的瞬间极性如下图b。此时正处在交流的负半周,即变压器下端电压为正,上端电压为负,DA导通,近似于短路(DB截止),器C1被充电,达到变压器输出的峰值电压&ra;2Erms,充电电压的极性是左负右正。当交流电压为正半周时,二极管DA截止,DB导通,并向C2充电。加到电容器C2上的电压是交流峰值电压加上电容C1上存储电压,既2&rad;2Erms,如下图c所示。由此可以看出这个电压也加在处于截止的二极管DA上,因此DA承受的反向峰值电压为2√2Erms。在交流电压的下一个负半周,二极管DB截止,DA导通,此时电容C2上存储电压是2√2Erms,所以DB承受的峰值电压是2√2Erms。对电容C1的最大充电为√2Erms。

如果将上图a改成下图a的形式,可以看出,在这个倍压电路后面再加上一级同样的倍压电路就变成四倍压电路,又加上一级变成六倍压电路,如下图b下图所示。如此级联下去,既可得到任意的倍压值。多倍压整流电路每个二极管所承受的最大反向峰值电压与二倍整流电路是相同的,都为2√2下图Erms。从下图b下图中可以看出,除了电容C1下图所承受的电压为√2下图Erms,其余电容所承受的耐压值都为2√2下图Erms。电路中R1下图是限流,限制充电电流,避免烧毁二极管,可选择R1=2√2Erms下图/I下图充。
多倍压整流电路只是在电流很小的情况下使用,例如,为示波管、显像管及灭虫高压电网等装置供电用,因此一般对二极管只要求其耐压值,而不要求其电流值。
