在设计接收机通频带宽度时,总碰到保真度和选择性的矛盾。为使信号音质尽量好,接收机必须使尽可能多的信号频谱万分经均匀放大后通向检波器,也就是要有足够宽的通频带。但在通频带很宽及信号很弱的情况下,各种干扰会显着增加。为了削弱干扰,必须提高选择性、压缩通频带,但音质会有所降低。
因此,在接收强大信号而干扰比较弱时,接收机音频部分通频带应该比较宽些,以得到很高的音质。相反,在接收干扰很强,和在接收微弱信号时,通频带就应该窄些。为此,在高级收音机中,通频带被做成可变的。
工厂生产收音机时,通常采用一个或几个中频中相互耦合的线圈的距离加以改变的方法来调节通频带宽度,此时改变的是组成通频带的各个回路的耦台程度,最终改变谐振曲线宽度。
在业余条件下制作带有可移动线圈的中频变压器是很困难的,寻求用其它方法改变通频带的宽度,就成了人们研究的课题。
下图所示为通频带可变的中频放大。线圈L1和L2之间的耦合很弱,当把开关K置于“1”时,放大器的选择性很强,通频带很窄;而当开关K置于“2”时,L3被接八了电路.L3约3至4圈,绕在L1旁边。由于L3圈数很少,不会使回路失调很多,然而,回路间的耦合却增强了,因而通频带变宽,音质提高。通频带展宽的程度决定于L3的圈数,以及L3与L1的相对位置。若想通频带变化范围更大,可以不仅在一级中频放大器内,而是在两级或三级中频放大器内安装这种开关。

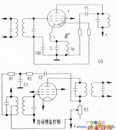
下图是由M.爱林西提出的两种能够自动调整通频带的电路。两个电路都是具有回授电路的中频放大器。
在下图(a)里,由接在中放电子管阴极电路里在中上的L、C回路建立起负回授,而扼流圈Lp用来构成阴极电路的直流通路。在下图(b)中,中频放大器具有由R3C2R2R1构成的正回授回路。下图的电路里,回授压缩了放大级的通频带,且放大级增益越高,通频带被压缩得越窄。使增益及通频带宽度在自动增益系统的作用下依被接收的信号强度改变而改变。在接收强信号时,自动增益系统减少放大级的增益,因而加大了通频带的宽度。在接收弱信号时,自动控制系统使增益增加,使通频带变得更窄。
