为了稳定放大的静态工作点而采用直流负反馈电路,如下图所示。
下图所示的稳定直流工作点的工作原理为:当所更换晶体管的β值大于原晶体管时,按原电路参数会使得下图电路的集电极降低。随着集电极电压的降低,导致了基极偏置上的电压随之降低,流过基极偏置的(也就是晶体管的基极电流)也随之按比例降低。由于基极电流降低使得晶体管集电极电流随之降低,集电极的电压降也随之降低,从而集电极电压上升。这个反馈抵制了由于晶体管的B值不同引起放大电路的静太工作点的化,达到了预想目标。
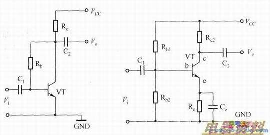
也可以用下图所示的分压式基极偏置放大电路实现稳定晶体管放大电路静态工作点的目的。随着管芯温度的变公,晶体管的基极-发射极电压会产生变化。下图所示电路的稳定直流工作点的原理为:随着晶体管结温上升,发射结正向电压降低。由VB电压固定,Vbe电压降低,使得Ve上升,电阻Re上的电压上升,使得晶体管的发射极电流上升,发射极电压上升会导致晶体管发射结电压下降,从而抵制了由于结温的上升而导致的发射极电流上升.
