动态驱动法不仅广泛应用于STN无源矩阵液晶显示屏中,而且在笔段式TN液晶显示屏(液晶)中的应用也十分普及。对于1—2个笔段式数码管,由于笔段较少,可采用静态驱动法。但是,如果采用多个笔段式数码管,由于笔段很多,不可能在每个像素上都设置单独的外引线,此时可采用动态驱动法进行驱动。
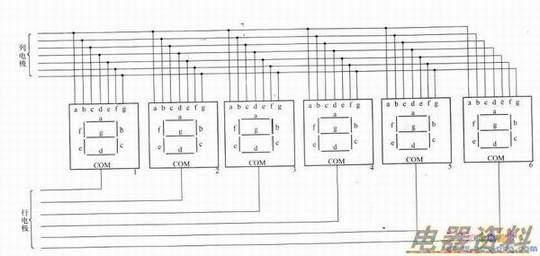
例如,对于六个笔段式数码管(如下图所示),可将六个笔段式数码管的背电极单独引出,作为行电极,将其前电极的对应位连在一起(即六个笔段式的六个a接在一起,六个b接在一起……六个g接在一起,共七段),再分别引出,作为列电极。这样,总的电极引线数为6+7=13根。工作时,各背电极(行电极)上顺序地接通,称为扫描。例如,第4个数码管的背电极被“接通”,同时对第4个数码各笔段(列电极)输入显示电压或不显示电压,虽然这些电压也同时施加在其他数码管的各笔段上,但由于这些数码管的背电极未被“接通”,所以不起作用。如此,背电极轮流“接通”,其上的笔段相应地被显示,这样,六个数码管中的每一个被显示的时间只有1/6;如果对背电极扫描的速度足够快(每秒轮流50次以上),由于人眼“视觉暂留”的特性,感觉不到LCD显示器的闪动,所看到的就是连续显示的六个数字。
