变频器保护电路


  当出现异常时,为了使变频器因异常造成的损失减少到最小,甚至减少到零。每个品牌的变频器都很重视保护功能,都设法增加保护功能,提高保护功能的有效性。
  
  在变频器保护功能的领域,厂商可谓使尽解数,作好文章。这样,也就形成了变频器保护的多样性和复杂性。有常规的检测保护电路,软件综合保护功能。有些变频器的驱动电路模块、智能功率模块、整流逆变组合模块等,内部都具有保护功能。
  
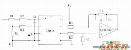
  下图所示的电路是较典型的过流检测保护电路。由取样、信号隔离放大、信号放大输出三部分组成。  

变频器保护电路